Jump to content

Как создать вид с разрывом


Krusnik

Recommended Posts

Krusnik

Добрый день.

Решил на простенькой сборке поупражняться в азах T-flex и уткнулся.

Сижу вот смотрю на этот экран как олень.

59062eab85f1b_.thumb.jpg.f985a96561b03767de97a877f167b47d.jpg

 

Как создать вид с разрывом?

Link to post
Share on other sites


SilaMusli

Зайти в редактирование проекции и задать нужный разрыв. Тут нет отдельной операции разрыва, разрыв просто опция проекции.

Link to post
Share on other sites
  • 3 years later...
3 часа назад, Колесников Сергей сказал:

включение-выключение разрывов, в зависимости от какой-либо переменной?

Как бы нет, но да,  Костыль присутствует-через слои, на каждый слой свой вид, и вкл/выкл слоев.

Link to post
Share on other sites
4 часа назад, Колесников Сергей сказал:

... можно ли задать включение-выключение разрывов, в зависимости от какой-либо переменной?

UR_1.gif

 

R_1.jpg   R_2.jpg

  • Нравится 3

Чудес не бывает. Бывают необъяснимые явления.

Link to post
Share on other sites
SAPRonOff
3 часа назад, frei сказал:

Как бы нет, но да,  Костыль присутствует-через слои, на каждый слой свой вид, и вкл/выкл слоев.

не надо тут нам крева-методов=)

Link to post
Share on other sites
Chikua1000

Крео отличный софт, ну не будем спорить+)

Edited by Chikua1000
Link to post
Share on other sites
11.12.2020 в 02:45, SAPRonOff сказал:

крева-методов

это не метод крео. в крео такоэ не требуется.:biggrin:

Link to post
Share on other sites
  • 1 month later...
Колесников Сергей

@BSV1 Спасибо

Я вывел две линии разрыва (когда деталь вмещается в формат чертежа и мне разрыв не нужен) в минус 2 и минус 1 по процентам (начало и конец разрыва)  - в результате разрыв просто исчезает за границы вида и не показывается.
Один нюанс - размеры на виде нужно привязывать к телу самой детали. Я в первый раз привязал к линиям построения и мне показало фактическое расстояние между линиями, а не реальную длину детали.
 

12.png

Edited by Колесников Сергей
корректировка
Link to post
Share on other sites
  • 1 month later...
Мрачный

По видам с разрывом.

Сделал одну проекцию. Вторую с нее создал. Сделал разрыв на первой, сделал разрыв на второй - выровнять только через значения начала и конца (в обои проекция и сделать одинаковыми)? В принципе тоже вариант, в компасе вообще нет никакой функции выравнивания разрывов.

Edited by Мрачный
Link to post
Share on other sites
18 часов назад, Мрачный сказал:

выровнять только через значения начала и конца

кнопка ж есть:

 image.png

  • Нравится 1
Link to post
Share on other sites
  • 2 months later...

А у меня при простановке элементов оформления на детали с разрывами эти самые разрывы "прыгают"(деталь стает реального размера с проставленными разрывами) и нормально оформить невозможно((( Ни у кого такого не было? T-Flex 17.0.32

Link to post
Share on other sites
vasillevich68
38 минут назад, markey сказал:

разрывы "прыгают"

в учебной 17.0.32 тоже прыгает

Project002.gif

 

 

Link to post
Share on other sites

На Вашем примере хоть размеры адекватно проставляются, а у меня элементы оформления остаются на тех местах где я их поставил без разрывов...

Link to post
Share on other sites

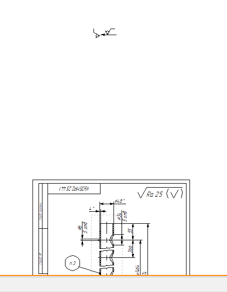
Как в таком случае проставить шероховатость. Все размеры я проставлял без разрывов на оригинальном виде. После простановки добавил разрывы. С шероховатостью так не получается(((

Знімок екрана (1).png

Знімок екрана (2).png

Link to post
Share on other sites

Create an account or sign in to comment

You need to be a member in order to leave a comment

Create an account

Sign up for a new account in our community. It's easy!

Register a new account

Sign in

Already have an account? Sign in here.

Sign In Now
  • Recently Browsing   0 members

    No registered users viewing this page.

×
×
  • Create New...