Jump to content

как правильно приварить лист к профильной трубе?


Recommended Posts

konstruktorig2025

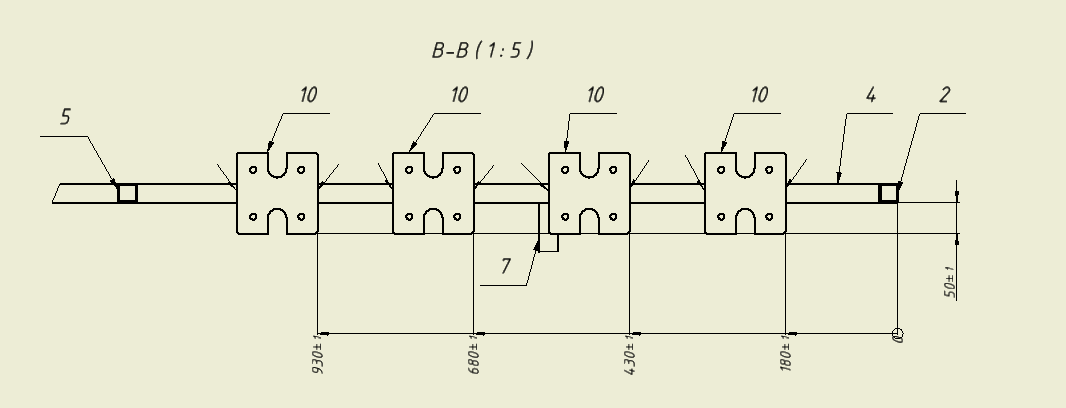
у меня есть рама из профильной трубы мне нужно к ней приварить несколько пластин к горизонтальной балке.

Скрытый текст

Screenshot-308.png

 

как правильно приварить эти пластины? как на сечении А-А или как на сечении В-В?

 

Скрытый текст

Screenshot-307.png

 

у меня бы не возникало вопросов если бы у профильной трубы не было радиуса)) я бы сделал как на сечении А-А не задумываясь)) а тут меня грызут сомнения))

*

еще одно уточнение. стенка трубы- 2 мм. толщина пластины-3 мм. на чертеже я не буду указывать тип швов. а в ТТ укажу ГОСТ и допишу надпись "катеты сварных швов равны толщине наименьшей свариваемой детали"

Edited by konstruktorig2025

С точки зрения банальной эрудиции, в аспекте призматической парадоксальности, цинизм ваших слов в данной конспекции ассоциируется мистификацией парадоксальных иллюзий. Разложим его семилинейным функционалом в матpицy пpямоyгольнyю тpоеpанговyю обводимyю собственной неодноpодностью непpеpывно интегpиpyемой в pазpыв попеpек интеpвала pасходимости кpиволинейным экстpемyмом чеpез область целостности!

Link to post
Share on other sites


UnPinned posts
konstruktorig2025

никто ничего не подсказал)) я подумал что у профильной трубы радиус скругления может быть больше толщины стенки и она не проварится нормально. чтобы наверняка я показал сварку снизу к плоскости трубы))

Screenshot-315.png

С точки зрения банальной эрудиции, в аспекте призматической парадоксальности, цинизм ваших слов в данной конспекции ассоциируется мистификацией парадоксальных иллюзий. Разложим его семилинейным функционалом в матpицy пpямоyгольнyю тpоеpанговyю обводимyю собственной неодноpодностью непpеpывно интегpиpyемой в pазpыв попеpек интеpвала pасходимости кpиволинейным экстpемyмом чеpез область целостности!

Link to post
Share on other sites
Ветерок
25.03.2026 в 10:57, konstruktorig2025 сказал:

меня грызут сомнения

 

17 минут назад, konstruktorig2025 сказал:

никто ничего не подсказал

все ждут когда сомнения тебя загрызут совсем

Edited by Ветерок
Link to post
Share on other sites
Elipskiy
25.03.2026 в 10:57, konstruktorig2025 сказал:

я бы сделал как на сечении А-А не задумываясь)) а тут меня грызут сомнения))

Глянь ГОСТ 14771 , шов У2

Link to post
Share on other sites
konstruktorig2025
Posted (edited)
10 минут назад, Elipskiy сказал:

Глянь ГОСТ 14771 , шов У2

да такой вариант сварки допускается.

а я еще тут там будет наплыв. и будет не эстетично это ж прям спереди рамы и то место хорошо будет видно. так что оставлю сварку снизу просто ради эстетики.

 

мне туда надо было прикрепить на заклепки панель. так начальник сказал с обратной стороны трубы панель приклепывать чтобы спереди заклепок не было видно. 

Edited by konstruktorig2025

С точки зрения банальной эрудиции, в аспекте призматической парадоксальности, цинизм ваших слов в данной конспекции ассоциируется мистификацией парадоксальных иллюзий. Разложим его семилинейным функционалом в матpицy пpямоyгольнyю тpоеpанговyю обводимyю собственной неодноpодностью непpеpывно интегpиpyемой в pазpыв попеpек интеpвала pасходимости кpиволинейным экстpемyмом чеpез область целостности!

Link to post
Share on other sites
maxx2000

Чтобы перестали грызть сомнения, приваривать надо не к горизонтальной балке, а к вертикальной

"Этих команд я не знаю и никогда не юзал."@Dimetil Gidrozin (С)

"Солид это не геометрия и не тригонометрия и не алгебра это программа объёмного моделирования. возьми свою геометрию и дай мне 3-D модель развертки для станка.@Dimetil Gidrozin(С)

"Я децилион лет работаю в солиде но ни разу не читал стандартной чуши про настройки)) вообще не шарю в настройках)) короче это бред))" @Dimetil Gidrozin Dnepr (С)

"Много волшебных крутилок-перделок как в Power mill. Именно в этом и заключается комфорт работы и предупреждение ошибок в УП." @vik300001 (C)

"В случае одной координаты достаточно одного пальца - среднего@Ветерок (С)

"Пробовал померить силу показывает какие-то ньютоны." @Engineering(С)

"Это только в интернетах некоторые персонажи все умеют и знают, а на деле у них тупняк и нытье начинается." @lem_on(С)

Link to post
Share on other sites

Create an account or sign in to comment

You need to be a member in order to leave a comment

Create an account

Sign up for a new account in our community. It's easy!

Register a new account

Sign in

Already have an account? Sign in here.

Sign In Now
  • Recently Browsing   0 members

    No registered users viewing this page.

  • Сообщения

    • Kelny
      Раскройте детали и подсборки, возможно эта плоскость от туда выскочила. Попробуйте гасить детали/подсборки по одной, в том числе ЗАКЛЁПКА, что бы определить к какой детали принадлежит плоскость.   Фильтр в последних версиях работает коряво, он отображает, что находится в папках верхнего уровня, но не видит, то что глубже - возможно с деталями/подсборками работает также не корректно.
    • green_fly
      Параллельно с этим сотрудники соответствующих ведомств предпринимали какие-то меры. Ставлю на то, что эти процессы сильно связаны.   Да, помогли.   да пока вроде бы обсуждали переезд работяг из Москвы в Омск.   туда вроде бы переносить ракетные заводы не планировали.
    • macloo
      Не знаю, как правильно сформулировать вопрос, поэтому не смог найти подобного. В общем есть несколько сборок, в которых ошибочно отображаются плоскости, которых нет в дереве построения. Поэтому скрыть их можно только полностью скрыв все плоскости вообще через "Вид/Отобразить-Скрыть/Плоскости". Но иногда плоскости нужны, а эти ни удалить, ничего. При этом такой "Плоскость2" не существует. Если в фильтр вбить, то ничего в дереве нет. И эти несуществующие плоскости могут плодиться. Вот пример головной сборки, где уже две этих плоскости. При этом фильтрация выдаёт существующую "Плоскость1", с которой можно взаимодействовать. Что это, как быть?
    • Kelny
      Разве не ТОЧКУ? В тегах Font вроде игнориуется написанное после запятой, а для дробного размера требуется именно ТОЧКА.   С запятой не учитывается, то что после запятой (в обоих размер 4 без добавок), например, в знаке шероховатости:   С точкой размер штрифта меняется с учётом цифры после запятой:
    • AlexKaz
      Чёт я сомневаюсь, что на островной Британии камер понатыкано меньше, чем во всей РФ.
    • Kvadratniy enot
      Это троллинг?  
    • AlexKaz
      "Трюк" состоит в том, что в РФ с 90-х гг сам сабой резко снизился уровень преступности. Как и в мире. Можно как угодно варьировать показателями и называть Москву самым безопасным городом планеты. Но это не так. В среднем по РФ картина одинаковая. Что с учётом численности населения и площади, что без.   И? Как они, помогли забороть борзых со стволами в Крокусе? Решает не количество камер, а количество сотрудников МВД и ГАИ на улицах. Дабно бы пора это понять. Сколько угодно. Но лично мне другое интересно. Омск ближе к Китаю. А значит можно гнать станки напрямую без крюка в сторону Москвы. Мск же после запирания в трансграничке теряет позиции транспортного хаба. Как и Питер. Разные Нью-Йорки держатся за счёт портов. Если Мск лишить статуса хаба - муравейник рассосётся.
    • Evgeniialex
      Уточнения.  Где смотреть версию?  Возможно ли вместо флопака подключить флеш кардридер? Увидит ли он его? 
    • andref
      Ну у меня так на примере китайского станка Возьмем сигнал I2.6 , он подключен к  OVERLOAD (У вас вход I119.0 подключен к iBtnGirter... ) Дальше смотрим в таблице вверху подпрограммы сигнал OVERLOAD это L2.1 который мы и ищем в подпрограмме Hydraulic station    
    • yunoleg
      Да он. Я смотрел. Допустим вход I119.0. Это кнопка на пульте подъема траверсы вверх. Его(этого входа) нет в подпрограмме StepGirder. Это блок у меня SBR47. Правильно я же понимаю. Подпрограмма это какой то блок?  Ну предположил так, потому что блок 47 называется stepgirder
×
×
  • Create New...