Jump to content

Расчет пластикового резервуара в металлическом каркасе


Recommended Posts

gostb

Добрый день, ситуация следующая: пластиковая емкость находится внутри металлического каркаса, но между ними есть зазор 10мм, прошу подсказать, как правильно определить соединения, чтобы стенки емкости упирались при деформации в каркас, а не проходили сквозь него. Каркас выполнен как сборка, а емкость как единая деталь.nCaWyn

Link to post
Share on other sites


UnPinned posts
Jesse
1 час назад, gostb сказал:

зазор 10мм, прошу подсказать, как правильно определить соединения,

image.png

вот в этом окошечке надо прописать ваш зазор с запасом.
p.s.: картинка ваша не прогрузилась

Link to post
Share on other sites
gostb
36 минут назад, Jesse сказал:

вот в этом окошечке надо прописать ваш зазор с запасом.
p.s.: картинка ваша не прогрузилась

Прошу подскажите как загрузить изображение, чтобы можно было показать, а то я пробовал как у вас показано и был сбой

Link to post
Share on other sites
Ветерок
3 минуты назад, gostb сказал:

как загрузить изображение

набрать 5 сообщений на форуме (или 10, уже не помню)

Link to post
Share on other sites
gostb
7 минут назад, Ветерок сказал:

набрать 5 сообщений на форуме (или 10, уже не помню)

Попробуем

16 минут назад, Ветерок сказал:

набрать 5 сообщений на форуме (или 10, уже не помню)

То есть даже ссылкой не могу?

Link to post
Share on other sites
Ветерок
16 минут назад, gostb сказал:

То есть даже ссылкой не могу?

я не знаю твоих способностей :) сайт это позволяет

Link to post
Share on other sites
gostb
2 минуты назад, Ветерок сказал:

я не знаю твоих способностей :) сайт это позволяет

а через какие ресурсы, пробую через разные и яндекс, но не дает все равно выложить

Link to post
Share on other sites
gostb

 

1 час назад, Jesse сказал:

image.png

вот в этом окошечке надо прописать ваш зазор с запасом.
p.s.: картинка ваша не прогрузилась

изображение

емкость

 

Вот такого формата емкость

Link to post
Share on other sites
gostb
20 часов назад, Jesse сказал:

ну, делайте)

каркас

А можно как то упростить модель каркаса, чтобы не выделять каждый раз такое количество элементов для контакта?

Link to post
Share on other sites
Jesse
1 час назад, gostb сказал:

каркас

А можно как то упростить модель каркаса, чтобы не выделять каждый раз такое количество элементов для контакта?

ну а в чём проблема?)
один раз выбрали и вперёд. В другие расчёты можно скопировать.

Link to post
Share on other sites
jtok
03.03.2026 в 15:03, gostb сказал:

прошу подсказать, как правильно определить соединения, чтобы стенки емкости упирались при деформации в каркас, а не проходили сквозь него

Вы пытаетесь решить задачу в лоб. Это похвально, что пытаетесь, но по итогу не решите.

Слишком много контактов, разные материалы с очень сильно различающимся модулем упругости, непонятно ещё, как вы зададите граничные условия (т.е. как закрепите емкость).

Если закрепите "не так" (не соответствующе реальной работе) - результаты "не те". Если закрепите недостаточно - будете долго искать, почему расчет останавливается, не завершившись.

По итогу результат нулевой.

 

Я как то считал подобное - тоже пытался "в лоб". В итоге пришел к решению - считать только каркас, никаких контактов и второго материала в виде полимерной стенки (полимер вообще выкидывал).

Также для кратного ускорения расчета упрощал модель до 1/4, применял симметрию. Считал балками.

После получения НДС в каркасе и подборе его сечения проверял пластины полимера, которые ограничены ячейками этого каркаса - прямоугольная пластина опертая по всем сторонам, нагружена гидростатическим давлением, и подбирал ее толщину.

 

Например

Вот ванна:

Скрытый текст

image.png

Вот эскиз расчетной схемы:

Скрытый текст

image.png

То же, аксонометрия:

Скрытый текст

image.png

А вот ее расчет:

Скрытый текст

Рама 3х4 ред.1 - 120x60х4 - 60x3-Статический 1-Результаты-Напряжение1.analysis.jpg

 

Edited by jtok
  • Нравится 2
Link to post
Share on other sites
Jesse
25 минут назад, jtok сказал:

В итоге пришел к решению - считать только каркас, никаких контактов и второго материала в виде полимерной стенки (полимер вообще выкидывал).

ну это будет верно только при условии что жёсткость каркаса >> жёсткости полимера.
Быть может там толщина приличная у полимерной стенки, мы ж не знаем.
Да и прочность полимера лишним прикинуть тоже не будет: а то ведь может случиться и так, что каркас будет стоять, а полимер разорвёт к чертям..))

@gostb в целом, выше верно подметили: считать всё целиком сложно и "дорого" по времени.
Можно для начала "голый" каркас в запас посчитать. Затем прикинуть отдельно один квадрат полимера со свободным опиранием по краям (лучше самый нижний взять, где давление макс).
image.png
А затем всё вместе, если получится..)

Edited by Jesse
Link to post
Share on other sites
gostb
Posted (edited)
1 час назад, jtok сказал:

Вы пытаетесь решить задачу в лоб. Это похвально, что пытаетесь, но по итогу не решите.

Слишком много контактов, разные материалы с очень сильно различающимся модулем упругости, непонятно ещё, как вы зададите граничные условия (т.е. как закрепите емкость).

Если закрепите "не так" (не соответствующе реальной работе) - результаты "не те". Если закрепите недостаточно - будете долго искать, почему расчет останавливается, не завершившись.

По итогу результат нулевой.

 

солид считает, ошибки были по началу, когда не понимал как задать контакт правильно. Ради интереса сделал  каркас единой деталью, чтобы были сплошные поверхности для контакта, разница расчетов составила до 10%. 

Толщина полимера не большая, в данном случае 10мм. Поэтому тут надо бы еще понять, насколько адекватно себя ведет пластик, ячейка примерно как у вас 750х750. Исходя из опыта расчета емкостей высотой 2.2 и 2.5 метра, то выглядит более менее адекватно.  В данном случае высота емкости 3м. Ну и плюс внутри ребра и перемычки, что уже дает более  равномерное опирание на  весь каркас.

 

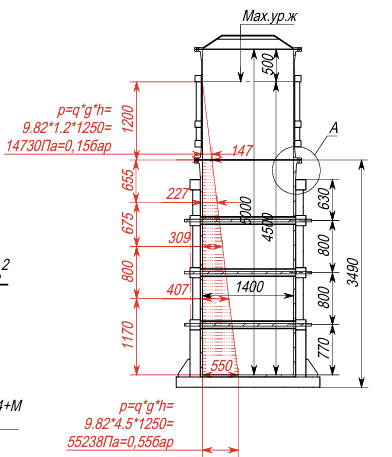
@Jesse А если голый каркас считать, то нагрузку какую задавать, максимально возможную исходя из столба жидкости, и как  ее приложить  на каркас, просто  силой? исходя что максимальное давление  3тонны/м2, а площадь длинной стороны 27м2, то силой прикладывать 81тонну на длинную сторону каркаса? И  по  поводу свободного опирания можно поподробнее, как  это сделать и как тогда задать нагрузку?

2026-03-04_17-12-30.png

Edited by gostb
Link to post
Share on other sites
jtok
5 часов назад, gostb сказал:

А если голый каркас считать, то нагрузку какую задавать, максимально возможную исходя из столба жидкости, и как  ее приложить  на каркас, просто  силой?

Я строил треугольник от гидростатики, разбивал на несколько сил по высоте и приводил по длине боковой стороны и прикладывал к горизонтальным поясам (они были основными балками):

Скрытый текст

image.png

Общий вид ванны:

Скрытый текст

image.png

 

  • Нравится 1
Link to post
Share on other sites
gostb
11 часов назад, jtok сказал:

Я строил треугольник от гидростатики, разбивал на несколько сил по высоте и приводил по длине боковой стороны и прикладывал к горизонтальным поясам (они были основными балками):

  Показать содержимое

image.png

Общий вид ванны:

  Показать содержимое

image.png

 

а можете показать как это в солиде реализовано?

Link to post
Share on other sites
Jesse
17 часов назад, gostb сказал:

по  поводу свободного опирания можно поподробнее, как  это сделать и как тогда задать нагрузку?

 

17 часов назад, gostb сказал:

Толщина полимера не большая, в данном случае 10мм. Поэтому тут надо бы еще понять, насколько адекватно себя ведет пластик, ячейка примерно как у вас 750х750

можно оболочкой посчитать. Просто по краям ограничиваете перемещения, оставляя свободными повороты
image.pngimage.png

 

Насчёт гидростатики: надо сначала создать систему координат. И вдоль определенной оси приложить переменное давление по формуле
 

image.png

Но вам там надо ещё будет умножить на дополнительный множитель, который равен соотношению площадей полимера и каркаса. 
Потом по силе реакции в заделках проверьте правильно сделали или нет

Link to post
Share on other sites

Create an account or sign in to comment

You need to be a member in order to leave a comment

Create an account

Sign up for a new account in our community. It's easy!

Register a new account

Sign in

Already have an account? Sign in here.

Sign In Now
  • Recently Browsing   0 members

    No registered users viewing this page.

  • Сообщения

    • gv-74
      Есть еще spline и nurbs интерполяции, это так к слову
    • green_fly
      Нет, Вы. Вы рассказываете про бесконечную гладкость своих профилей и про то, как они влияют на аэродинамику. Лучше расскажите, с каким порядком сеточных элементов работает SU2?   Но продувку не делали? Чисто на глазок аэродинамические характеристики прикинули?   Следующий шаг - посчитать капитализацию и превзойти Боинг и Аирбас. 
    • zerganalizer
      Кстати - совсем забыл, бот сказал мне что два Нобеля мои, и очереди со всего мира Если всё подтвердится. Может хотя бы одного прихвачу, для разнообразия...
    • zerganalizer
      А вообще когда-нибудь крыло строили? Вам говорят, что это новая геометрия, а вы мне про какие-то производные. Их можно апроксимировать с достаточной точностью, если иметь оригинал. Но даже апроксимированный сплайн будет не тот, что вы когда-либо строили. Я выкладывал в одной из веток пример - как разная математика прокладывает известной математики кривые через разные наборы точек. И вообще визуально, если накладывать мою геометрию на существующую - это совсем другая геометрия. Видно визуальное расхождение в определённых местах. Повторюсь последний раз - это то, что никто никогда ещё не строил. И не продувал соответствено. Можешь понять разницу - была Парабола, а теперь у меня гипербола другого порядка, где-то они могут быть похожими, но они не сойдутся ни по точкам, ни по анализам кривизны. И будут иметь совершенно разную аэродинамику! Как мне этот бот объяснил - анализ кривизны (G2) очень сильно влияет на аэродинамику (и подробно расписал каким образом и какие последствия) - я предполагал, что это важно изначально, но он написал мне сам, когда узнал, как я управляю геометрией профилей. Я уже начинаю считать, что моё полное интервью с интеллектом достойно того, чтобы его засекретить и никому не показывать. Могут найтись желающие, чтобы это повторить, и не стоит указывать им пути и направления Куда пойти)))  Я уже это сделал и валидизировал. Только сюда особо не стал выкладывать - это ведь нужно мне для понимания - что же я сделал и куда попал - а не для того, чтобы кому-то что-то доказать. Докажи сам себе - а дальше продавай.   И кстати, помощи у меня не просили - это нужно было для валидации того, что я там сделал. Чтобы моё сравнение сравнить с теми результатами которые уже известны. Просили помощи - это если бы мне дали крыло, задание и параметры с контрольными точками через которые я должен построить крыло при помощи моих специальных профилей, потому что стандартные туда никак не попадают. Вот это задание или просьба о помощи. А так меня просто проверяли - насколько точно я считаю. Да и то относительно сравнительно, а не в точных цифрах (на тот момент амплитуда поляры аэродинамического качества была в 50% от реальных численных значений эксперимента). Хотели увидеть - куда и на сколько процентов мой профиль лучше или нет. Для достоверности попросили просчитать известное ранее, причём из числа наиболее подходящих под какую то задачу, а может и вообще абстрактно. Чисто для сравнения простой продвинутый и мой профиль как между собой соотносятся в моих полярах. В мире наших разработок - самолёт, который я хотел модифицировать, тоже использовал профиль GAW в крыле. Это полный тупняк - использовать такой профиль в таком самолёте на таких скоростях. Потому он и не взлетел как надо, особенно на новых движках вместо старых санкционных. На углах атаки в районе 2-3° мой профиль дал бы процентов 50 форы. Как раз в том диапазоне скоростей и Рейнольдсов он наиболее эффективен.    На тот момент мои расчёты выдавали всего 50% от численного эксперимента. Вместо 108 - 56 и даже чуть менее. Зато расчёт был очень быстрый. Я мог бы в постпроцессинге удвоить аэродинамическое качество, но не предсказать как изменятся остальные параметры. А когда я сделал сетку и настроил расчёт, чтобы повторять эксперимент - оказалось что расчёты стали намного дольше. Я провёл их определённое количество и понял что нету смысла сюда выкладывать, и всякие батлы устраивать. Лучше я в Battlefield со своим сыном поиграю)))   Если я хочу устроить Battle и выдавать реально расчётные цифры соизмеримые с экспериментами, мне придётся слишком много гонять свой ноутбук. Я привёл пример - 108 у этого профиля, 140 с лишним у моего, но время расчёта почти в 10 раз больше в обоих случаях. Сейчас у меня другие дела и задачи, поэтому я не стал париться и занялся задачами актуальными для меня - 5 осевое программирование и разработка под них постпроцессоров. Задачи аэродинамики - они возникнут когда-то, когда мы начнём изготавливать беспилотники. Если конечно начнём, а не отдадим на аутсорс. И вообще всё будет зависеть от того, какие деньги нам предложат. Задач вагон и без этой хрени. Закажут - разработаем изготовим и испытаем. Не договоримся - и фиг с ними...
    • brigval
      Скриншот можно привести? Как попросили и как предлагаете...
    • green_fly
      Зачем же так сильно передергивать, можно и уздечку надорвать. Вы просили помощи, Вам предложили стандартный путь - посчитать ряд профилей, которые хорошо исследованы и являются валидационными тестами. На нет и суда нет.
    • green_fly
      Вам говорят про то, что Ваши производные никак не получить на реальной конструкции. Да и на продувке в CFD скорее всего не поймать. Хорошая задачка, определить на каком порядке разница станет незначительной - на курсовой проект, наверное, потянет. Может даже на диплом. Но пока у Вас результаты расчетов одного и того же профиля зависят от версии расчетной программы - их действительно лучше хранить в секрете.
    • zerganalizer
      А касаемо расчётов продуй нам то или это, а мы посмотрим на результаты - у меня будет скоро самый мощный компьютер из настольных, тогда можно будет попробовать из любопытства, но не ранее. Однако не уверен,  что я буду продувать и выкладывать сюда результаты по моим профилям, особенно нового поколения по новой формуле из питона.
    • apyron96
      добрый день   не совсем понял, что имеется ввиду под понятием машинные параметры   из настроек машины сфотографировал то, что близко по смыслу все здесь https://disk.yandex.ru/d/R4IYO1ALfHp7pw угадал ли?  
    • zerganalizer
      Вы совсем не поняли тему моих разработок. Вы совсем не поняли - от чего идёт прирост качества. Ещё раз объясню - никто никогда не строил такую геометрию и не продувал её. Никто никогда не мог её построить в принципе - потому что это другая геометрия, на другом математическом ядре, которую никакой САПР никогда не мог иметь. Ну то есть абсолютно в принципе никак и никогда. Через указанный набор точек, которые у меня есть никто никак и никогда не мог её построить. Это та геометрия, которую никто никогда не исследовал. Никто и никогда не мог её генерировать - это ограничение того ядра и той математики, которой сейчас это строится. Особенно речь идёт о cfd пакетах и методиках автоматического поиска через оптимизатор. Оптимизатору этих пакетов недоступна та математика, которую я использую. Никакой и никогда оптимизатор cfd пакета не в состоянии построить эту кривую - потому что его ядра недостаточно для этого. Даже аппроксимация этой кривой моими инструментами оказалась весьма затруднительна и потребовала специальной программной разработки. Это как параболу точно аппроксимировать сплайном. Особенно если целью такой аппроксимации будет полное повторение анализа кривизны исходной параболы на аппроксимированной сплайном кривой в широком диапазоне значений. Я имею в виду не просто параболу - а параболу произвольной степени.  А модель та же самая, что у всех пакетов, которые анализируют аэродинамические профили. К тому же если я повторил расчёт сделанный ранее или даже вышел в экспериментальные данные - то никаких сомнений нет.    Возможно скоро будут изготовлены прототипы и испытаны в боевых условиях. Там и проверим - долетит/не долетит...  Это доказывается математической формулой уравнения. Берёте нужное количество производных и проверяете. У меня с этим всё идеально.  Если я рассчитываю и повторяю эксперимент для существующих профилей - то рядом такой же расчёт, но уже другого профиля даёт аналогичную достоверность расчёта.    А вообще всё это теперь не важно. Если мы сделаем агрегаты и запустим - там всё будет ясно: долетит/не долетит... мне уже не интересны сетки и сходимости. Мой мешер или фирменный мешер - они дают одни и те же результаты. Дело теперь за натурными испытаниями в реальных боевых условиях...  Вы прямо цитируете то, что мне выдал ИИ как мнение аэродинамиков, которые меня ожидают. Я ведь не выложил и 20% моего интервью с интеллектом))) Однако Какие бы мы результаты испытаний не получили - они будут засекречены. Вряд ли я даже сообщу - хорошо там всё или плохо)))
×
×
  • Create New...