Jump to content

как правильно задавать шероховатости для деталей?


Recommended Posts

konstruktorig2025

в одном месте мне говорили что шероховатости задаются в зависимости от того где и как будет использоваться эта деталь. например под сварку Ra25, не касаются других деталей Ra12,5, опирающиеся Ra6,3.

в другом месте говорили задавай шероховатости под то как рабочие будут обрабатывать. там я точно уже не помню -на гильотине одна шероховатость, если будут резать болгаркой другая, сверловка третья, резка газовым резаком четвертая)))

 

чем же все таки руководстоваться при назначении шероховатостей?

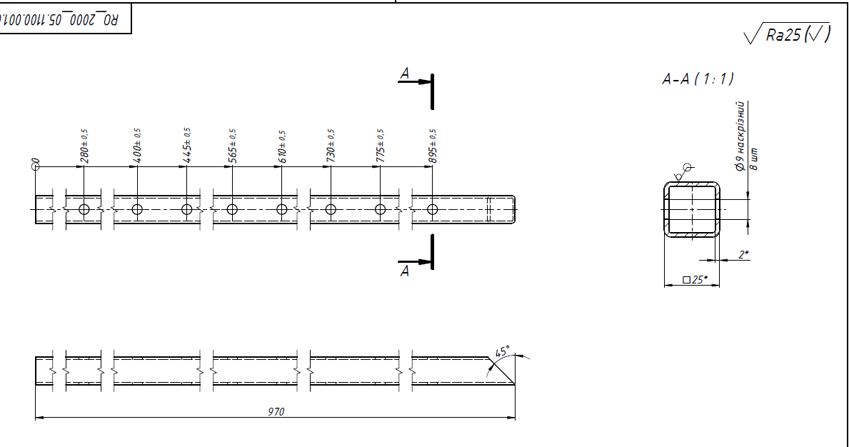
вот допустим у меня труба в которой просверлены отверстия. в сборке эта труба будет торцами приварена к другим трубам. а через эти отверстия будут проходить болты которые крепят приборы.

мне было лень ставить разные шероховатости на порезку и сверловку. я поставил наихудший вариант Ra25. а как было бы правильно?

Скрытый текст

Screenshot-234.png

 

или вот такая деталь основа. к ней по бокам будут приварены профильные трубы рамы а в резьбовое отверстия вкручена опора. таких основ будет 4 они расположены в углах рамы.

тоже лень было ставить разные шероховатости на резьбу и обрезку торцов. поставил наилучший вариант Ra6,3. а как было бы правильно?

Скрытый текст

Screenshot-235.png

 

Edited by konstruktorig2025

С точки зрения банальной эрудиции, в аспекте призматической парадоксальности, цинизм ваших слов в данной конспекции ассоциируется мистификацией парадоксальных иллюзий. Разложим его семилинейным функционалом в матpицy пpямоyгольнyю тpоеpанговyю обводимyю собственной неодноpодностью непpеpывно интегpиpyемой в pазpыв попеpек интеpвала pасходимости кpиволинейным экстpемyмом чеpез область целостности!

Link to post
Share on other sites
  • 2 weeks later...


UnPinned posts

Ну что же понеслась!

1 час назад, vasillevich68 сказал:

за что же Боженька так над людьми измывается, читать научил а думать нет.

А Вы самокритичны) 

Еще раз продублирую свой Вам ответ (хотя в дальнейшем я постараюсь по разумной причине игнорировать общения с Вами в виду бесполезной траты времени, кроме случаев Ваших некорректных цитат из уже замененных или отмененных стандартов и т.п.). 

Старое определение высотного параметра Rz про 10 точек в ГОСТ 25142-82 после изменения №1 от 2017 г было заменено на новое определение этого же высотного параметра Rz.

Приведенный вами скрин из того же ГОСТ 25142-82 не содержит это изменение и Вы скорее всего оперируете им, потому что привыкли, я Вас не осуждаю за это. И да, из-за этого профилометры, которые были изготовлены до 2017 г, будут измерять Rz именно по 10 точкам, в этом я с Вами согласен. И я ни в коем случае не утверждал, что Ra заменил собой Rz.

1.png

Безымянный.png

 

ГОСТ 25142-82 Шероховатость поверхности. Термины и определения.pdf

@vasillevich68 , кстати, а Вы можете пожалуйста скинуть ГОСТ 25142-82 без этого изменения №1 ? А то я нигде не могу найти, везде только актуальная версия стандарта. Вдруг что-то узнаю интересное, просто я люблю изучать историю) Все отбой, уже нашел)

Edited by Chuvak
Link to post
Share on other sites
konstruktorig2025
3 часа назад, vasillevich68 сказал:

п 2.7 Высота неровностей - это про то, что зеркало будет отражать или нет.

 

п 2.8 ... отклонение профиля - это прот то, будет зеркало ровным или кривым. 

 

вы бы хоть почитали что такое отклонение профиля))) 

Screenshot-236.png

 

заодно гляньте что такое среднее арифметическое)) пригодится в жизни))

  • Нравится 1

С точки зрения банальной эрудиции, в аспекте призматической парадоксальности, цинизм ваших слов в данной конспекции ассоциируется мистификацией парадоксальных иллюзий. Разложим его семилинейным функционалом в матpицy пpямоyгольнyю тpоеpанговyю обводимyю собственной неодноpодностью непpеpывно интегpиpyемой в pазpыв попеpек интеpвала pасходимости кpиволинейным экстpемyмом чеpез область целостности!

Link to post
Share on other sites
maxx2000
25.02.2026 в 16:29, konstruktorig2025 сказал:

вот допустим у меня труба в которой просверлены отверстия.

шерховатость достигается типом обработки. т.е. в зависимости от требованию к качеству поверхности выбирается способ обработки способный обеспечить это качество. Открываешь табличку и смотришь какую шероховатость можно обеспечить сверлом. не устраивает используешь тонкое фрезерование, шлифование и т.д.

"Этих команд я не знаю и никогда не юзал."@Dimetil Gidrozin (С)

"Солид это не геометрия и не тригонометрия и не алгебра это программа объёмного моделирования. возьми свою геометрию и дай мне 3-D модель развертки для станка.@Dimetil Gidrozin(С)

"Я децилион лет работаю в солиде но ни разу не читал стандартной чуши про настройки)) вообще не шарю в настройках)) короче это бред))" @Dimetil Gidrozin Dnepr (С)

"Много волшебных крутилок-перделок как в Power mill. Именно в этом и заключается комфорт работы и предупреждение ошибок в УП." @vik300001 (C)

"В случае одной координаты достаточно одного пальца - среднего@Ветерок (С)

"Пробовал померить силу показывает какие-то ньютоны." @Engineering(С)

"Это только в интернетах некоторые персонажи все умеют и знают, а на деле у них тупняк и нытье начинается." @lem_on(С)

Link to post
Share on other sites
konstruktorig2025
1 минуту назад, maxx2000 сказал:

шерховатость достигается типом обработки. т.е. в зависимости от требованию к качеству поверхности выбирается способ обработки способный обеспечить это качество. Открываешь табличку и смотришь какую шероховатость можно обеспечить сверлом. не устраивает используешь тонкое фрезерование, шлифование и т.д.

я это написал в шапке темы можешь меня не цитировать

С точки зрения банальной эрудиции, в аспекте призматической парадоксальности, цинизм ваших слов в данной конспекции ассоциируется мистификацией парадоксальных иллюзий. Разложим его семилинейным функционалом в матpицy пpямоyгольнyю тpоеpанговyю обводимyю собственной неодноpодностью непpеpывно интегpиpyемой в pазpыв попеpек интеpвала pасходимости кpиволинейным экстpемyмом чеpез область целостности!

Link to post
Share on other sites
16 часов назад, konstruktorig2025 сказал:

я это написал в шапке темы можешь меня не цитировать

толку то что ты там пишешь. надо же ещё понимать что ты пишешь

Edited by maxx2000

"Этих команд я не знаю и никогда не юзал."@Dimetil Gidrozin (С)

"Солид это не геометрия и не тригонометрия и не алгебра это программа объёмного моделирования. возьми свою геометрию и дай мне 3-D модель развертки для станка.@Dimetil Gidrozin(С)

"Я децилион лет работаю в солиде но ни разу не читал стандартной чуши про настройки)) вообще не шарю в настройках)) короче это бред))" @Dimetil Gidrozin Dnepr (С)

"Много волшебных крутилок-перделок как в Power mill. Именно в этом и заключается комфорт работы и предупреждение ошибок в УП." @vik300001 (C)

"В случае одной координаты достаточно одного пальца - среднего@Ветерок (С)

"Пробовал померить силу показывает какие-то ньютоны." @Engineering(С)

"Это только в интернетах некоторые персонажи все умеют и знают, а на деле у них тупняк и нытье начинается." @lem_on(С)

Link to post
Share on other sites

Create an account or sign in to comment

You need to be a member in order to leave a comment

Create an account

Sign up for a new account in our community. It's easy!

Register a new account

Sign in

Already have an account? Sign in here.

Sign In Now
  • Recently Browsing   0 members

    No registered users viewing this page.

  • Сообщения

    • brigval
      Скриншот можно привести? Как попросили и как предлагаете...
    • green_fly
      Зачем же так сильно передергивать, можно и уздечку надорвать. Вы просили помощи, Вам предложили стандартный путь - посчитать ряд профилей, которые хорошо исследованы и являются валидационными тестами. На нет и суда нет.
    • green_fly
      Вам говорят про то, что Ваши производные никак не получить на реальной конструкции. Да и на продувке в CFD скорее всего не поймать. Хорошая задачка, определить на каком порядке разница станет незначительной - на курсовой проект, наверное, потянет. Может даже на диплом. Но пока у Вас результаты расчетов одного и того же профиля зависят от версии расчетной программы - их действительно лучше хранить в секрете.
    • zerganalizer
      А касаемо расчётов продуй нам то или это, а мы посмотрим на результаты - у меня будет скоро самый мощный компьютер из настольных, тогда можно будет попробовать из любопытства, но не ранее. Однако не уверен,  что я буду продувать и выкладывать сюда результаты по моим профилям, особенно нового поколения по новой формуле из питона.
    • apyron96
      добрый день   не совсем понял, что имеется ввиду под понятием машинные параметры   из настроек машины сфотографировал то, что близко по смыслу все здесь https://disk.yandex.ru/d/R4IYO1ALfHp7pw угадал ли?  
    • zerganalizer
      Вы совсем не поняли тему моих разработок. Вы совсем не поняли - от чего идёт прирост качества. Ещё раз объясню - никто никогда не строил такую геометрию и не продувал её. Никто никогда не мог её построить в принципе - потому что это другая геометрия, на другом математическом ядре, которую никакой САПР никогда не мог иметь. Ну то есть абсолютно в принципе никак и никогда. Через указанный набор точек, которые у меня есть никто никак и никогда не мог её построить. Это та геометрия, которую никто никогда не исследовал. Никто и никогда не мог её генерировать - это ограничение того ядра и той математики, которой сейчас это строится. Особенно речь идёт о cfd пакетах и методиках автоматического поиска через оптимизатор. Оптимизатору этих пакетов недоступна та математика, которую я использую. Никакой и никогда оптимизатор cfd пакета не в состоянии построить эту кривую - потому что его ядра недостаточно для этого. Даже аппроксимация этой кривой моими инструментами оказалась весьма затруднительна и потребовала специальной программной разработки. Это как параболу точно аппроксимировать сплайном. Особенно если целью такой аппроксимации будет полное повторение анализа кривизны исходной параболы на аппроксимированной сплайном кривой в широком диапазоне значений. Я имею в виду не просто параболу - а параболу произвольной степени.  А модель та же самая, что у всех пакетов, которые анализируют аэродинамические профили. К тому же если я повторил расчёт сделанный ранее или даже вышел в экспериментальные данные - то никаких сомнений нет.    Возможно скоро будут изготовлены прототипы и испытаны в боевых условиях. Там и проверим - долетит/не долетит...  Это доказывается математической формулой уравнения. Берёте нужное количество производных и проверяете. У меня с этим всё идеально.  Если я рассчитываю и повторяю эксперимент для существующих профилей - то рядом такой же расчёт, но уже другого профиля даёт аналогичную достоверность расчёта.    А вообще всё это теперь не важно. Если мы сделаем агрегаты и запустим - там всё будет ясно: долетит/не долетит... мне уже не интересны сетки и сходимости. Мой мешер или фирменный мешер - они дают одни и те же результаты. Дело теперь за натурными испытаниями в реальных боевых условиях...  Вы прямо цитируете то, что мне выдал ИИ как мнение аэродинамиков, которые меня ожидают. Я ведь не выложил и 20% моего интервью с интеллектом))) Однако Какие бы мы результаты испытаний не получили - они будут засекречены. Вряд ли я даже сообщу - хорошо там всё или плохо)))
    • 5axisCNC
      Имхо можно фрезернуть. 1.Нужно просто использовать коническую резьбофрезу(далее обычный THREAD_MILLING). 2. (Если использовать фрезу ТС)Построить коническую винтовую линию центра фрезы и далее fixed кривые/точки Вообще очень-очень редко встречались конические резьбы и как правило их резали метчиком слесаря, либо пересогласовывали с конструкторами на обычную резьбу(и в дальнейшей эксплуатации изготовленного изделия это не вызывало проблем) 
    • zerganalizer
      Дурацкий форум не даёт времени На правку. Если у вас деталь на планшайбе смещена относительно оси вращения - то Укажите На какой угол она там локально повернута. Когда деталь в нуле эти углы одинаковые и равно углу оси поворота. А когда вы сдвинете деталь в сторону Да ещё и повернёте там - тады ой!
    • Fedor
      Спасибо, посмотрю. Как раз хотел оживить старые коды , а то в VS 2003 все работало и работает на VM и старой W.   А при компиляции на новых выдает кучу ошибок. Хотел переделать на Qt и заодно приделать для Добряка оболочки и балки, чтобы проверить теорию да и вообще в Linux как то приятнее работать :) 
    • MixaIT
      Речь же шла о G41 D01. Так что скорее всего это настраивать будут именно там где я написал.
×
×
  • Create New...