Jump to content

как правильно задавать шероховатости для деталей?


Recommended Posts

konstruktorig2025

в одном месте мне говорили что шероховатости задаются в зависимости от того где и как будет использоваться эта деталь. например под сварку Ra25, не касаются других деталей Ra12,5, опирающиеся Ra6,3.

в другом месте говорили задавай шероховатости под то как рабочие будут обрабатывать. там я точно уже не помню -на гильотине одна шероховатость, если будут резать болгаркой другая, сверловка третья, резка газовым резаком четвертая)))

 

чем же все таки руководстоваться при назначении шероховатостей?

вот допустим у меня труба в которой просверлены отверстия. в сборке эта труба будет торцами приварена к другим трубам. а через эти отверстия будут проходить болты которые крепят приборы.

мне было лень ставить разные шероховатости на порезку и сверловку. я поставил наихудший вариант Ra25. а как было бы правильно?

Скрытый текст

Screenshot-234.png

 

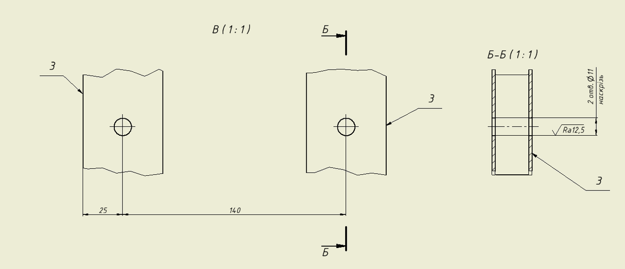
или вот такая деталь основа. к ней по бокам будут приварены профильные трубы рамы а в резьбовое отверстия вкручена опора. таких основ будет 4 они расположены в углах рамы.

тоже лень было ставить разные шероховатости на резьбу и обрезку торцов. поставил наилучший вариант Ra6,3. а как было бы правильно?

Скрытый текст

Screenshot-235.png

 

Edited by konstruktorig2025

С точки зрения банальной эрудиции, в аспекте призматической парадоксальности, цинизм ваших слов в данной конспекции ассоциируется мистификацией парадоксальных иллюзий. Разложим его семилинейным функционалом в матpицy пpямоyгольнyю тpоеpанговyю обводимyю собственной неодноpодностью непpеpывно интегpиpyемой в pазpыв попеpек интеpвала pасходимости кpиволинейным экстpемyмом чеpез область целостности!

Link to post
Share on other sites


UnPinned posts
konstruktorig2025
Posted (edited)
25 минут назад, Chuvak сказал:

Да, получается так

я тут подумал а ведь шероховатость обрезки труб под сварку мне тоже была не важна, но я ее поставил. и решил все таки проставить там шероховатость для сверления по вашему ГОСТу Р 70117-2022.

Скрытый текст

Screenshot-251.png

 

поставил самую плохую шероховатость сверления для такой толщины))

Скрытый текст

Screenshot-253.png

 

Edited by konstruktorig2025

С точки зрения банальной эрудиции, в аспекте призматической парадоксальности, цинизм ваших слов в данной конспекции ассоциируется мистификацией парадоксальных иллюзий. Разложим его семилинейным функционалом в матpицy пpямоyгольнyю тpоеpанговyю обводимyю собственной неодноpодностью непpеpывно интегpиpyемой в pазpыв попеpек интеpвала pасходимости кpиволинейным экстpемyмом чеpез область целостности!

Link to post
Share on other sites
konstruktorig2025
27.02.2026 в 20:05, Chuvak сказал:

 Ra более новый и предпочтительный параметр, об этом даже указано в ГОСТ 2789-73. Rz еще пока используют для указания очень грубых поверхностей

вот мне на одной работе давали такие рекомендации по шероховатостям, а заодно перевод Ra-Rz. я в авктокаде себе шпаргалку сделал))

Screenshot-256.png

 

  • Нравится 1

С точки зрения банальной эрудиции, в аспекте призматической парадоксальности, цинизм ваших слов в данной конспекции ассоциируется мистификацией парадоксальных иллюзий. Разложим его семилинейным функционалом в матpицy пpямоyгольнyю тpоеpанговyю обводимyю собственной неодноpодностью непpеpывно интегpиpyемой в pазpыв попеpек интеpвала pасходимости кpиволинейным экстpемyмом чеpез область целостности!

Link to post
Share on other sites
Ветерок

ты эту картинку уже показывал, только на черном фоне

в тырнете полно подобных таблиц - скачивай любую без всякого автокада

вообще делать записи в акаде - это надо быть каданутым на всю голову

Link to post
Share on other sites
konstruktorig2025
Posted (edited)
37 минут назад, Ветерок сказал:

вообще делать записи в акаде - это надо быть каданутым на всю голову

этому автокадовскому файлу столько лет что ты столько не проживешь. на той работе чертежи оформляли в автокаде. еще вопросы?

Скрытый текст

Screenshot-258.png

 

Edited by konstruktorig2025

С точки зрения банальной эрудиции, в аспекте призматической парадоксальности, цинизм ваших слов в данной конспекции ассоциируется мистификацией парадоксальных иллюзий. Разложим его семилинейным функционалом в матpицy пpямоyгольнyю тpоеpанговyю обводимyю собственной неодноpодностью непpеpывно интегpиpyемой в pазpыв попеpек интеpвала pасходимости кpиволинейным экстpемyмом чеpез область целостности!

Link to post
Share on other sites
Chuvak

@konstruktorig2025 , могу также порекомендовать "ОСТ 26-09-625-79 Шероховатость поверхностей в зависимости от классов точности (квалитетов), назначения и методов получения". Скорее всего именно его взяли за основу при разработке ГОСТ Р 70117-2022.

 

ОСТ 26-09-625-79 Шероховатость поверхностей в зависимости от классов точности (квалитетов), назначения и методов получения.pdf

  • Нравится 2
Link to post
Share on other sites
vasillevich68
03.03.2026 в 15:40, konstruktorig2025 сказал:

заодно перевод Ra-Rz

Перевод Ra в Rz, это перевод холодного в фиолетовое.

  • Хаха 1
Link to post
Share on other sites
konstruktorig2025
11 часов назад, vasillevich68 сказал:

Перевод Ra в Rz, это перевод холодного в фиолетовое.

вам ни на одной работе не давали для образца старых советских чертежей в которых шероховатости в Rz, а нужно оформить свои чертежи по современным требованиям и проставить шероховатости в Ra? 

С точки зрения банальной эрудиции, в аспекте призматической парадоксальности, цинизм ваших слов в данной конспекции ассоциируется мистификацией парадоксальных иллюзий. Разложим его семилинейным функционалом в матpицy пpямоyгольнyю тpоеpанговyю обводимyю собственной неодноpодностью непpеpывно интегpиpyемой в pазpыв попеpек интеpвала pасходимости кpиволинейным экстpемyмом чеpез область целостности!

Link to post
Share on other sites
Chuvak
20 минут назад, konstruktorig2025 сказал:

вам ни на одной работе не давали для образца старых советских чертежей в которых шероховатости в Rz, а нужно оформить свои чертежи по современным требованиям и проставить шероховатости в Ra? 

Да, я Вас прекрасно понимаю. Но это еще цветочки) Мне на одной из работ пришлось работать с классами чистоты, которые перевернутые вниз треугольники, а вместо рыбьего глаза значок тильды. 

Скрытый текст

Таблица шероховатости.jpeg

 

  • Нравится 3
Link to post
Share on other sites
konstruktorig2025
Posted (edited)
29 минут назад, Chuvak сказал:

Мне на одной из работ пришлось работать с классами чистоты, которые перевернутые вниз треугольники, а вместо рыбьего глаза значок тильды. 

сохранил вашу картинку на всякий случай вдруг пригодится когда нибудь))

на этой работе она мне точно не пригодится. здесь я разрабатываю новое. а вот если прийдется работать на работе где база предприятия хранится в архиве в бумажном виде тогда ваша картинка очень пригодится))

 

 да еще я вспомнил. как то создавал обьявление о том что готов обучить солидворксу. и ко мне обратился один заказчик которому уже много лет и он привык к кульману и 3-D моделирование для него недостижимо))

предложил чтобы я ему провел типа мастеркласс)) он мне будет от руки на бумаге рисовать эскизы деталей а я их делать в солиде и потом соберу в сборку)) и он мне будет за это платить как  за обучение солиду хотя не будет учиться ему нужны только 3-D модели))

детали там были волшебные на всю голову неописуемые гибы неописуемых конфигураций под разными углами)) и сборка тоже получилась бомба)) вот я на ютуб выкладывал))

https://www.youtube.com/watch?v=mwXrVQYNqG0

 

а тут скрины))

Скрытый текст

 

Screenshot-260.png

Screenshot-261.png

 

не удивлюсь если также обратится другой заказчик и скажет что у него есть старые чертежи бумажные которые он нафоткает и нужно будет создать модель и оформить чертежи. там ваша картинка может очень пригодиться.

Edited by konstruktorig2025
  • Нравится 1

С точки зрения банальной эрудиции, в аспекте призматической парадоксальности, цинизм ваших слов в данной конспекции ассоциируется мистификацией парадоксальных иллюзий. Разложим его семилинейным функционалом в матpицy пpямоyгольнyю тpоеpанговyю обводимyю собственной неодноpодностью непpеpывно интегpиpyемой в pазpыв попеpек интеpвала pасходимости кpиволинейным экстpемyмом чеpез область целостности!

Link to post
Share on other sites
Chuvak
27 минут назад, konstruktorig2025 сказал:

на этой работе она мне точно не пригодится. здесь я разрабатываю новое. а вот если прийдется работать на работе где база предприятия хранится в архиве в бумажном виде тогда ваша картинка очень пригодится))

Вот пример чертежа, с которыми мне приходилось работать вживую)

Скрытый текст

8.jpg

11.jpg

Вот еще табличка с переводом старых обозначений шероховатости, вдруг Вам пригодится

Скрытый текст

cherchenie0021.jpg

 

  • Нравится 2
Link to post
Share on other sites
konstruktorig2025
Posted (edited)
10 минут назад, Chuvak сказал:

Вот пример чертежа, с которыми мне приходилось работать вживую)табличка с переводом старых обозначений шероховатости

т.е. если на чертеже будут такие значки. все равно нужно будет воспользоваться предыдущей табличкой для перевода в Rz

Скрытый текст

Screenshot-262.png

а потом моей табличкой для перевода в Ra

Скрытый текст

Screenshot-263.png

 

Edited by konstruktorig2025

С точки зрения банальной эрудиции, в аспекте призматической парадоксальности, цинизм ваших слов в данной конспекции ассоциируется мистификацией парадоксальных иллюзий. Разложим его семилинейным функционалом в матpицy пpямоyгольнyю тpоеpанговyю обводимyю собственной неодноpодностью непpеpывно интегpиpyемой в pазpыв попеpек интеpвала pасходимости кpиволинейным экстpемyмом чеpез область целостности!

Link to post
Share on other sites
Chuvak
03.03.2026 в 10:06, konstruktorig2025 сказал:

получается если у меня в сборке сверлятся отверстия. я их образмерил но их шероховатость мне не важна- я могу согласно П 1.1 ГОСТ 2.309 вообще не указывать их шероховатость?

Я тут поискал в своих закромах и нашел все-таки одно советское методическое указание, в котором прямо указано об этом (МУ 29-86 Применение на предприятиях отрасли ГОСТ 2789-73 Шероховатость поверхности. Параметры и характеристики и ГОСТ 2.309-73 Обозначения шероховатости поверхностей)

"3.5. Отсутствие на поверхности детали обозначения шероховатости поверхнос­тей означает, что требования к ней не нормируются."

И в данном указание еще много полезной информации.

МУ 29-86 Применение на предприятиях отрасли ГОСТ 2789-73 Шероховатость поверхности. Параметры и характеристики и ГОСТ 2.309-73 Обозначения шероховатости поверхностей.pdf

Edited by Chuvak
  • Нравится 2
Link to post
Share on other sites
konstruktorig2025
15 минут назад, Chuvak сказал:

МУ 29-86 Применение на предприятиях отрасли ГОСТ 2789-73 Шероховатость поверхности. Параметры и характеристики и ГОСТ 2.309-73 Обозначения шероховатости поверхностей\

скоро у меня ваши госты не будут влазить по высоте в один экран и нужно будет скроллить вниз.

прийдется оптимизировать их размещение в начале те что часто использую потом остальные))) ну и я и так впринципе сделал но просто хотел чтобы профиля были возле профилей, шероховатости возле шероховатостей, сварка возле сварки.

хотя реально я из сварки буду использовать только один гост)) ГОСТ 14771-76.

Скрытый текст

Screenshot-272.png

 

21 минуту назад, Chuvak сказал:

МУ 29-86 

"3.5. Отсутствие на поверхности детали обозначения шероховатости поверхнос­тей означает, что требования к ней не нормируются."

но мы же помним что вы делаете для умных людей чертежи а я для дураков)) кроме того у вас там много поверхностей шероховатость которых вам не важна. а у меня такой случай только один когда отверстия сверлятся в сборке)) так что мне там один значек всего поставить не трудно))

 

а если мои подрядчики увидев что на этих отверстиях не указана обработка не просверлят их вообще? подумают что я когда чертил сказал что эта труба БЧ в спецификации протупил и нужно было ее чертеж с отверстиями сделать?)) еще вариант что они даже смотреть спецификацию не будут)) просто решат что я им не все чертежи деталей дал)))

Скрытый текст

 

Screenshot-273.png

Screenshot-274.png

 

 

7 часов назад, Chuvak сказал:

Да, я Вас прекрасно понимаю. Но это еще цветочки) Мне на одной из работ пришлось работать с классами чистоты, которые перевернутые вниз треугольники, а вместо рыбьего глаза значок тильды. 

  Показать содержимое

Таблица шероховатости.jpeg

 

 

посмотрел внимательней на вашу таблицу и обнаружил что в ней не только Rz а и Ra есть)) так что ваша таблица универсальна. в ней перевод из одного типа в другой трех вариантов обозначения шероховатости а у меня только два))

  • Нравится 1

С точки зрения банальной эрудиции, в аспекте призматической парадоксальности, цинизм ваших слов в данной конспекции ассоциируется мистификацией парадоксальных иллюзий. Разложим его семилинейным функционалом в матpицy пpямоyгольнyю тpоеpанговyю обводимyю собственной неодноpодностью непpеpывно интегpиpyемой в pазpыв попеpек интеpвала pасходимости кpиволинейным экстpемyмом чеpез область целостности!

Link to post
Share on other sites
vasillevich68
12 часов назад, konstruktorig2025 сказал:

старых советских чертежей в которых шероховатости в Rz, а нужно оформить свои чертежи по современным требованиям и проставить шероховатости в Ra

Это значит лишь только то, что неграмотные люди заполоняют собою пространство и совсем не значит, что Rz можно перевести в Ra. 

Скрин 03051.png

 

Rz - отвечает за то, что зеркало отражает, а Ra за то, где повесят это зеркало, в салоне красоты или в комнате смеха

4 часа назад, konstruktorig2025 сказал:

а если мои подрядчики увидев что на этих отверстиях не указана обработка не просверлят их вообще?

Если подрядчик грамотный, то он посмотрит какая "неуказанная" шероховатость указана на чертеже

Скрин 03052.png

если она не указана, то он в праве отверстие прорезать резаком 

  • Нравится 1
Link to post
Share on other sites
Chuvak

@vasillevich68, определение параметра Rz, что это высота неровностей профиля по 10 точкам (5 наибольших выступов и 5 наибольших впадин) было заменено после всех изменений в ГОСТ 2789-73 и ГОСТ 25142-82 на новое определение:  Rz - это сумма высоты наибольшего выступа профиля и глубины наибольшей впадины профиля в пределах базовой длины (т.е. теперь только 2 точки оставили). Поэтому даже старые значения параметра Rz не соответствуют новому параметру. Может быть поэтому и переводят, хотя я тоже считаю что это не совсем корректно. Проще ориентироваться на показания измерительных приборов (профилометры, профилографы и оптические измерители) или контрольных образцов шероховатости. 

6 часов назад, konstruktorig2025 сказал:

но мы же помним что вы делаете для умных людей чертежи а я для дураков))

Если Вы будете все делать под дураков, то можете незаметно к ним присоединиться) (шутка). Если они не умеют грамотно анализировать чертежи, оформленные по всем правилам ЕСКД, то это исключительно их проблема. Главное, что Вы сами можете объяснить, что напроектировали.

Edited by Chuvak
  • Нравится 1
Link to post
Share on other sites
konstruktorig2025
Posted (edited)
9 часов назад, vasillevich68 сказал:

 

Если подрядчик грамотный, то он посмотрит какая "неуказанная" шероховатость указана на чертеже

Скрин 03052.png

если она не указана, то он в праве отверстие прорезать резаком 

если конструктор грамотный он не указывает на сборочном чертеже в углу неуказанную шероховатость))  если он ее поставит- то исполнителю прийдется обработать абсолютно все поверхности сборки))

Edited by konstruktorig2025

С точки зрения банальной эрудиции, в аспекте призматической парадоксальности, цинизм ваших слов в данной конспекции ассоциируется мистификацией парадоксальных иллюзий. Разложим его семилинейным функционалом в матpицy пpямоyгольнyю тpоеpанговyю обводимyю собственной неодноpодностью непpеpывно интегpиpyемой в pазpыв попеpек интеpвала pасходимости кpиволинейным экстpемyмом чеpез область целостности!

Link to post
Share on other sites
maxx2000

 

30 минут назад, konstruktorig2025 сказал:

если конструктор грамотный он не указывает на сборочном чертеже в углу неуказанную шероховатость))  если он ее поставит- то исполнителю прийдется обработать абсолютно все поверхности сборки))

❝ — Ты был Избранником! Предрекали, что ты уничтожишь дураков, а не примкнешь к ним. Восстановишь равновесие , а не ввергнешь всё во Мрак. ❞

 

Тебе же сказали русским по белому, пусть и утрировано. Что если её не указать то рабочий в праве будет порезать всё кислородным резаком и будет прав, и не окажется дураком в отличии от конструктора.

Edited by maxx2000

"Этих команд я не знаю и никогда не юзал."@Dimetil Gidrozin (С)

"Солид это не геометрия и не тригонометрия и не алгебра это программа объёмного моделирования. возьми свою геометрию и дай мне 3-D модель развертки для станка.@Dimetil Gidrozin(С)

"Я децилион лет работаю в солиде но ни разу не читал стандартной чуши про настройки)) вообще не шарю в настройках)) короче это бред))" @Dimetil Gidrozin Dnepr (С)

"Много волшебных крутилок-перделок как в Power mill. Именно в этом и заключается комфорт работы и предупреждение ошибок в УП." @vik300001 (C)

"В случае одной координаты достаточно одного пальца - среднего@Ветерок (С)

"Пробовал померить силу показывает какие-то ньютоны." @Engineering(С)

"Это только в интернетах некоторые персонажи все умеют и знают, а на деле у них тупняк и нытье начинается." @lem_on(С)

Link to post
Share on other sites
konstruktorig2025

 

18 минут назад, maxx2000 сказал:

Тебе же сказали русским по белому, пусть и утрировано. Что если её не указать то рабочий в праве будет порезать всё кислородным резаком и будет прав, и не окажется дураком в отличии от конструктора.

научись читать речь идет о сборке

14 часов назад, konstruktorig2025 сказал:

у вас там много поверхностей шероховатость которых вам не важна. а у меня такой случай только один когда отверстия сверлятся в сборке)) так что мне там один значек всего поставить не трудно))

у тебя со зрением проблемы? 

10 часов назад, vasillevich68 сказал:

 

Если подрядчик грамотный, то он посмотрит какая "неуказанная" шероховатость указана на чертеже

Скрин 03052.png

 

 

С точки зрения банальной эрудиции, в аспекте призматической парадоксальности, цинизм ваших слов в данной конспекции ассоциируется мистификацией парадоксальных иллюзий. Разложим его семилинейным функционалом в матpицy пpямоyгольнyю тpоеpанговyю обводимyю собственной неодноpодностью непpеpывно интегpиpyемой в pазpыв попеpек интеpвала pасходимости кpиволинейным экстpемyмом чеpез область целостности!

Link to post
Share on other sites
maxx2000

@konstruktorig2025 так сам читай что ты пишешь. 

15 часов назад, konstruktorig2025 сказал:

у меня такой случай только один когда отверстия сверлятся в сборке

а указанная шероховатость говорит что она должна быть не хуже указанного значения. Не указал шероховатость, прожгли резаком, конструктор в жопе, а рабочий прав!

 

Таже бяда с квалитетами, не указал-получил деталь по 20 квалитету

Edited by maxx2000

"Этих команд я не знаю и никогда не юзал."@Dimetil Gidrozin (С)

"Солид это не геометрия и не тригонометрия и не алгебра это программа объёмного моделирования. возьми свою геометрию и дай мне 3-D модель развертки для станка.@Dimetil Gidrozin(С)

"Я децилион лет работаю в солиде но ни разу не читал стандартной чуши про настройки)) вообще не шарю в настройках)) короче это бред))" @Dimetil Gidrozin Dnepr (С)

"Много волшебных крутилок-перделок как в Power mill. Именно в этом и заключается комфорт работы и предупреждение ошибок в УП." @vik300001 (C)

"В случае одной координаты достаточно одного пальца - среднего@Ветерок (С)

"Пробовал померить силу показывает какие-то ньютоны." @Engineering(С)

"Это только в интернетах некоторые персонажи все умеют и знают, а на деле у них тупняк и нытье начинается." @lem_on(С)

Link to post
Share on other sites
vasillevich68
17 часов назад, Chuvak сказал:

было заменено после всех изменений в ГОСТ 2789-73 и ГОСТ 25142-82 на новое определение

:g:за что же Боженька так над людьми измывается, читать научил а думать нет.

 

Скрин 03063.png

п 2.7 Высота неровностей - это про то, что зеркало будет отражать или нет.

п 2.8 ... отклонение профиля - это прот то, будет зеркало ровным или кривым. 

Тут вот немцы дураки, по сей день выпускают приборы которые измеряют несколько десятков параметров в том числе "замененный" на Ra - Rz

Скрин 03061.png

 

  

  • Нравится 1
Link to post
Share on other sites

Create an account or sign in to comment

You need to be a member in order to leave a comment

Create an account

Sign up for a new account in our community. It's easy!

Register a new account

Sign in

Already have an account? Sign in here.

Sign In Now
  • Recently Browsing   0 members

    No registered users viewing this page.

×
×
  • Create New...