Jump to content

как правильно задавать шероховатости для деталей?


Recommended Posts

konstruktorig2025

в одном месте мне говорили что шероховатости задаются в зависимости от того где и как будет использоваться эта деталь. например под сварку Ra25, не касаются других деталей Ra12,5, опирающиеся Ra6,3.

в другом месте говорили задавай шероховатости под то как рабочие будут обрабатывать. там я точно уже не помню -на гильотине одна шероховатость, если будут резать болгаркой другая, сверловка третья, резка газовым резаком четвертая)))

 

чем же все таки руководстоваться при назначении шероховатостей?

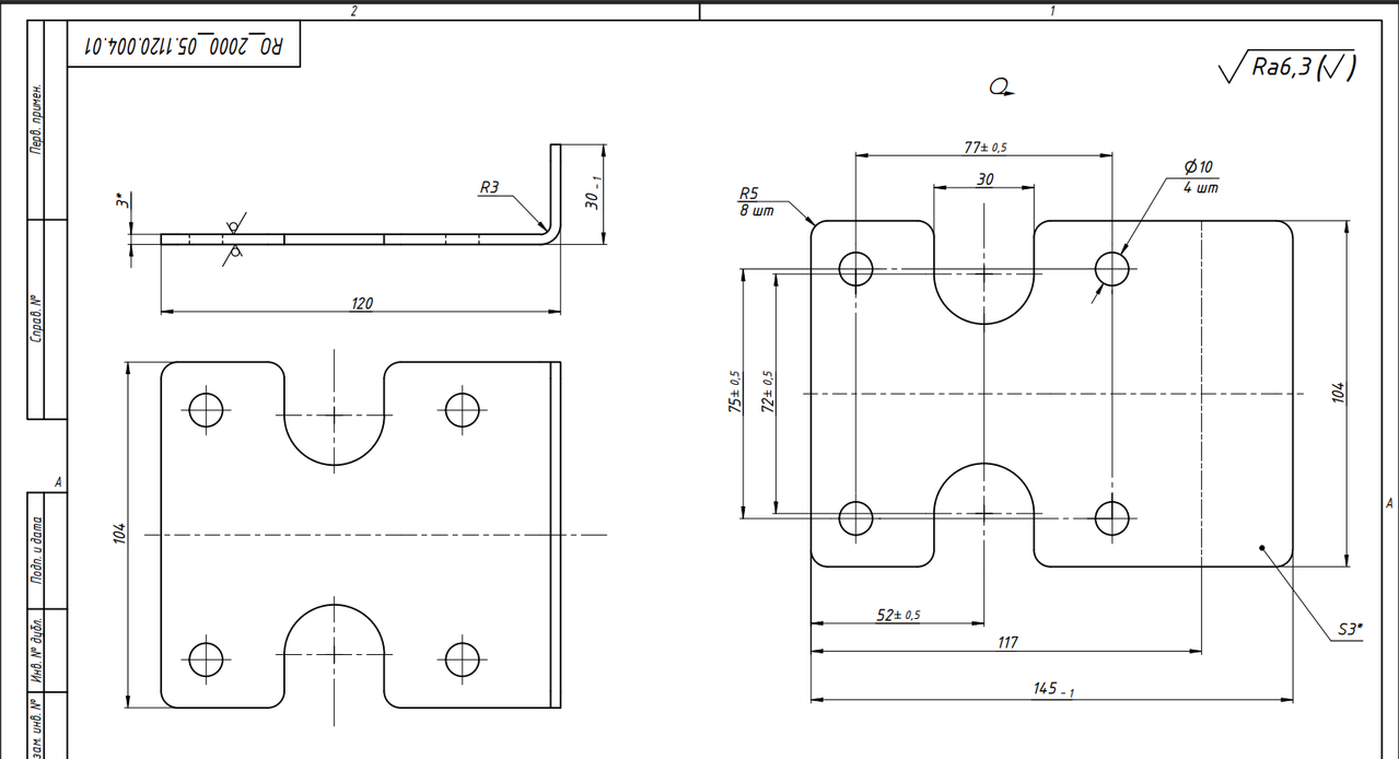
вот допустим у меня труба в которой просверлены отверстия. в сборке эта труба будет торцами приварена к другим трубам. а через эти отверстия будут проходить болты которые крепят приборы.

мне было лень ставить разные шероховатости на порезку и сверловку. я поставил наихудший вариант Ra25. а как было бы правильно?

Скрытый текст

Screenshot-234.png

 

или вот такая деталь основа. к ней по бокам будут приварены профильные трубы рамы а в резьбовое отверстия вкручена опора. таких основ будет 4 они расположены в углах рамы.

тоже лень было ставить разные шероховатости на резьбу и обрезку торцов. поставил наилучший вариант Ra6,3. а как было бы правильно?

Скрытый текст

Screenshot-235.png

 

Edited by konstruktorig2025

С точки зрения банальной эрудиции, в аспекте призматической парадоксальности, цинизм ваших слов в данной конспекции ассоциируется мистификацией парадоксальных иллюзий. Разложим его семилинейным функционалом в матpицy пpямоyгольнyю тpоеpанговyю обводимyю собственной неодноpодностью непpеpывно интегpиpyемой в pазpыв попеpек интеpвала pасходимости кpиволинейным экстpемyмом чеpез область целостности!

Link to post
Share on other sites


UnPinned posts
Ветерок
2 часа назад, konstruktorig2025 сказал:

мне было лень

 

2 часа назад, konstruktorig2025 сказал:

тоже лень было

а мне лень отвечать

  • Хаха 1
Link to post
Share on other sites
Chuvak

@konstruktorig2025 , ГОСТ Р 70117-2022 Шероховатость поверхности. Рекомендации по выбору

ГОСТ Р 70117-2022 Шероховатость поверхности. Рекомендации по выбору.pdf

При назначение класса чистоты поверхности (параметра шероховатости) конструктору рекомендуется ориентироваться на функциональное предназначения изделия и его отдельных элементов. Например, если данная поверхность предназначена под уплотнение, то нужно шлифовать данную поверхность хотя бы до Ra 1,6. Если поверхность свободная, то исходите из того, какую максимальную шероховатость может дать тот или иной способ обработки (резанием, давлением и т.п.). В отдельных случаях необходимо провести расчет по специализированной литературе.

  • Нравится 1
Link to post
Share on other sites
konstruktorig2025
15 минут назад, Chuvak сказал:

 

 ориентироваться на функциональное предназначения изделия и его отдельных элементов.

спасибо. это то что я и хотел.

значит начальник на прошлой моей работе был не прав. он говорил ориентироваться на то как рабочие будут обрабатывать деталь.

по большому счету меня не волнует как рабочий будет обрабатывать деталь хоть наждачкой. пусть даст ту шероховатость которую я указал!

 

а вот чем я ориентируюсь при назначении шероховатости. так меня учили на одной работе давно. я скопировал и сохранил))

Скрытый текст

Screenshot-888.png

 

сейчас я работаю на работе, где я единственный конструктор. так что меня даже проверить некому. как я сделаю так значит правильно))

 

  • Нравится 1

С точки зрения банальной эрудиции, в аспекте призматической парадоксальности, цинизм ваших слов в данной конспекции ассоциируется мистификацией парадоксальных иллюзий. Разложим его семилинейным функционалом в матpицy пpямоyгольнyю тpоеpанговyю обводимyю собственной неодноpодностью непpеpывно интегpиpyемой в pазpыв попеpек интеpвала pасходимости кpиволинейным экстpемyмом чеpез область целостности!

Link to post
Share on other sites
maxx2000
4 минуты назад, konstruktorig2025 сказал:

по большому счету меня не волнует как рабочий будет обрабатывать деталь хоть наждачкой

:doctor:

"Этих команд я не знаю и никогда не юзал."@Dimetil Gidrozin (С)

"Солид это не геометрия и не тригонометрия и не алгебра это программа объёмного моделирования. возьми свою геометрию и дай мне 3-D модель развертки для станка.@Dimetil Gidrozin(С)

"Я децилион лет работаю в солиде но ни разу не читал стандартной чуши про настройки)) вообще не шарю в настройках)) короче это бред))" @Dimetil Gidrozin Dnepr (С)

"Много волшебных крутилок-перделок как в Power mill. Именно в этом и заключается комфорт работы и предупреждение ошибок в УП." @vik300001 (C)

"В случае одной координаты достаточно одного пальца - среднего@Ветерок (С)

"Пробовал померить силу показывает какие-то ньютоны." @Engineering(С)

"Это только в интернетах некоторые персонажи все умеют и знают, а на деле у них тупняк и нытье начинается." @lem_on(С)

Link to post
Share on other sites
Chuvak

@konstruktorig2025 , советую по возможности узнать, каким инструментарием располагает компания, в которой вы работаете (или если они отдают на сторону, проконсультироваться с ними), чтобы как можно экономически рационально назначать класс чистоты. Если вы проектируете металлоконструкции, в которых при производстве применяется простой раскрой на лазерных/плазменных станках из готового проката (профильные трубы, листы, рулоны и т.п.) , то там обычно грубая шероховатость (от Ra 12,5 и даже выше). 

Просто старайтесь без нужды не делать слишком зеркальные поверхности, там где это никак логически и физически не обосновано.)

  • Нравится 1
Link to post
Share on other sites
konstruktorig2025
19 минут назад, Chuvak сказал:

Если вы проектируете металлоконструкции, в которых при производстве применяется простой раскрой на лазерных/плазменных станках из готового проката (профильные трубы, листы, рулоны и т.п.) , то там обычно грубая шероховатость (от Ra 12,5 и даже выше). 

я работаю в компании продажников)) я тут единственный конструктор остальные менеджеры)) своего оборудования нет. заказывают на стороне. контактов подрядчиков мне не давали))

я проектирую рамы из профильной трубы. в которых есть несколько деталей из листового металла, которые режутся на лазере. чем режут трубу я не знаю))

я руководствуюсь тем что на обработку торцов труб под сварку даю шероховатость Ra25.

Скрытый текст

Screenshot-181.png

 

а вот на лазерную резку листовой детали дал шероховатость Ra6,3. а вы говорите там Ra12,5 надо?

Скрытый текст

Screenshot-180.png

 

Edited by konstruktorig2025

С точки зрения банальной эрудиции, в аспекте призматической парадоксальности, цинизм ваших слов в данной конспекции ассоциируется мистификацией парадоксальных иллюзий. Разложим его семилинейным функционалом в матpицy пpямоyгольнyю тpоеpанговyю обводимyю собственной неодноpодностью непpеpывно интегpиpyемой в pазpыв попеpек интеpвала pасходимости кpиволинейным экстpемyмом чеpез область целостности!

Link to post
Share on other sites
Chuvak

Ra6,3 - это уже больше средний класс чистоты. Если же у вас нет никаких требований к торцам листовых деталей, то можете ставить Ra25 и выше. Трубы сейчас так же режут на лазерных труборезах, так что можете ставить везде Ra25. 

А в общем говоря, согласно ГОСТ 2.309-73 об обозначение шероховатости сказано, что указываемый вами параметр является максимально требуемым, т.е. ничего страшного не будет, если вы поставили Ra25, а на изделие получили Ra6,3. Или нужно ставить так - Ra25 min, если ниже не допускается, только в сторону грубой шероховатости.

Link to post
Share on other sites
konstruktorig2025
11 минут назад, Chuvak сказал:

 Если же у вас нет никаких требований к торцам листовых деталей, то можете ставить Ra25 и выше.

я руководствовался требованием чтобы при установке оборудования на раму и при замене комплектующих сервисный инженер не порезал палец о торец кронштейна)))

но кстати у меня потом будет наноситься покрытие после сварки. так что палец он точно не порежет)) так что поставлю на листовые детали Ra12,5. и попробую выведать у начальника контакты подрядчиков чтобы узнать на чем они режут трубу.

11 минут назад, Chuvak сказал:

только в сторону грубой шероховатости.

кстати предыдущий конструктор вообще не заморачивался насчет шероховатостей)) он ставил в правом верхнем углу одну галочку)) а на самих деталях вообще не ставил шероховатостей.

а что это обозначает?

Edited by konstruktorig2025
  • Нравится 1

С точки зрения банальной эрудиции, в аспекте призматической парадоксальности, цинизм ваших слов в данной конспекции ассоциируется мистификацией парадоксальных иллюзий. Разложим его семилинейным функционалом в матpицy пpямоyгольнyю тpоеpанговyю обводимyю собственной неодноpодностью непpеpывно интегpиpyемой в pазpыв попеpек интеpвала pасходимости кpиволинейным экстpемyмом чеpез область целостности!

Link to post
Share on other sites
Chuvak

Чтобы не резало пальцы, обычно затупляют острые кромки - а это больше слесарная операция. Я еще пока не видел такую грубую шероховатость после лазерной резки)

Также вы можете попросить у ваших менеджеров покупку высокоточного профилометра для измерения получаемой шероховатости (что-то на богатом), если они конечно согласятся. А кстати как Вы сейчас измеряете шероховатость поверхностей? На ощупь, по образцам согласно "ГОСТ 9378-93 Образцы шероховатости поверхности (сравнения). Общие технические условия" ? Или вообще не контролируете?

Edited by Chuvak
  • Нравится 1
Link to post
Share on other sites
konstruktorig2025
5 минут назад, Chuvak сказал:

Или вообще не контролируете?

я вообще ничего не контролирую. я передаю чертежи начальнику. кому передает он я не знаю)) но знаю что принимает готовые рамы от подрядчиков сервисный инженер на сборке. а потом сервисные инженеры обвешивают эту раму комплектующими. там фильтрами насосами датчиками и приборами. по моей модели и соединяют все это трубами через фитинги.

Edited by konstruktorig2025

С точки зрения банальной эрудиции, в аспекте призматической парадоксальности, цинизм ваших слов в данной конспекции ассоциируется мистификацией парадоксальных иллюзий. Разложим его семилинейным функционалом в матpицy пpямоyгольнyю тpоеpанговyю обводимyю собственной неодноpодностью непpеpывно интегpиpyемой в pазpыв попеpек интеpвала pасходимости кpиволинейным экстpемyмом чеpез область целостности!

Link to post
Share on other sites
Chuvak
13 минут назад, konstruktorig2025 сказал:

он ставил в правом верхнем углу одну галочку))

Просто одна галочка? Без кружочками внутри, как с проката например?

5 минут назад, konstruktorig2025 сказал:

я вообще ничего не контролирую

Если никто это не измеряет, то и с Вас спроса пока нет)

Link to post
Share on other sites
konstruktorig2025
5 минут назад, Chuvak сказал:

Просто одна галочка? Без кружочками внутри, как с проката например?

кружочек внутри в простонародье рыбий глаз означает не обработку. галочка в скобочках в правом верхнем углу означает кроме указанных.

Скрытый текст

Screenshot-182.png

 

а он ставил просто галочку. птичку

Edited by konstruktorig2025
  • Нравится 1

С точки зрения банальной эрудиции, в аспекте призматической парадоксальности, цинизм ваших слов в данной конспекции ассоциируется мистификацией парадоксальных иллюзий. Разложим его семилинейным функционалом в матpицy пpямоyгольнyю тpоеpанговyю обводимyю собственной неодноpодностью непpеpывно интегpиpyемой в pазpыв попеpек интеpвала pасходимости кpиволинейным экстpемyмом чеpез область целостности!

Link to post
Share on other sites
konstruktorig2025

кстати вспомнил одну вещь на прошлой работе начальник говорил мне ставить галочку в правом верхнем углу на сборках. теперь меня еще больше заинтересовала эта галочка))

 

на всех других работах мне говорили что на сборках в углу не ставится никакой шероховатости. если в сборке сверлятся отверстия то на них ставится шероховатость.

 

а на этой работе предыдущий конструктор ставил шероховатости на сварных швах. типа чтобы их зачистили. это я у него перенял))

 

Скрытый текст

Screenshot-183.png

 

С точки зрения банальной эрудиции, в аспекте призматической парадоксальности, цинизм ваших слов в данной конспекции ассоциируется мистификацией парадоксальных иллюзий. Разложим его семилинейным функционалом в матpицy пpямоyгольнyю тpоеpанговyю обводимyю собственной неодноpодностью непpеpывно интегpиpyемой в pазpыв попеpек интеpвала pасходимости кpиволинейным экстpемyмом чеpез область целостности!

Link to post
Share on other sites
Мрачный
8 часов назад, konstruktorig2025 сказал:

начальник говорил мне ставить галочку в правом верхнем углу на сборках

На сборках обозначение необозначенной шероховатости не ставится.

 

8 часов назад, konstruktorig2025 сказал:

в сборке сверлятся отверстия то на них ставится шероховатость.

Правильно тебе говорили.

 

8 часов назад, konstruktorig2025 сказал:

ставил шероховатости на сварных швах. типа чтобы их зачистили

Зачистка сварных швов ставится в обозначении сварного шва.

 

Наверно, все-таки стоит посмотреть азы.

Link to post
Share on other sites
konstruktorig2025
1 час назад, Мрачный сказал:

На сборках обозначение необозначенной шероховатости не ставится.

что означает просто галочка в правом верхнем углу?

Скрытый текст

Screenshot-187.png

 

Edited by konstruktorig2025

С точки зрения банальной эрудиции, в аспекте призматической парадоксальности, цинизм ваших слов в данной конспекции ассоциируется мистификацией парадоксальных иллюзий. Разложим его семилинейным функционалом в матpицy пpямоyгольнyю тpоеpанговyю обводимyю собственной неодноpодностью непpеpывно интегpиpyемой в pазpыв попеpек интеpвала pасходимости кpиволинейным экстpемyмом чеpез область целостности!

Link to post
Share on other sites
Chuvak
16 минут назад, konstruktorig2025 сказал:

что означает просто галочка в правом верхнем углу?

Согласно ГОСТ 2.309, это ничего не означает. Пусть расшифровывает, что это значит тот, кто так поставил. Возможно просто конструктору было лень думать)

Link to post
Share on other sites
Мрачный
23 минуты назад, konstruktorig2025 сказал:

что означает просто галочка в правом верхнем углу?

Запитай свого колишнього начальника

На сборках не ставится значок шорсткості в углу. Значок шорсткості ставиться тільки на мехобработке.

 

5 минут назад, Chuvak сказал:

Пусть расшифровывает, что это значит тот, кто так поставил. Возможно просто конструктору было лень думать)

:clap_1:

Edited by Мрачный
Link to post
Share on other sites
konstruktorig2025
2 минуты назад, Мрачный сказал:

Спрашивай своего начальника.

на этой работе у меня начальник не конструктор. так что он не лезет в чертежи)) он меня попросил придумать систему кодирования чертежей для нашей фирмы и выложить на сервере как что расшифровывается)))

 

6 минут назад, Chuvak сказал:

Пусть расшифровывает, что это значит тот, кто так поставил. Возможно просто конструктору было лень думать)

тот конструктор уже у нас не работает. меня собственно и взяли взамен ему))

а вот бывшему начальнику с прошлой работы я позвоню и спрошу зачем он говорил ставить просто галочку в правом верхнем углу на сборках)))

  • Нравится 1

С точки зрения банальной эрудиции, в аспекте призматической парадоксальности, цинизм ваших слов в данной конспекции ассоциируется мистификацией парадоксальных иллюзий. Разложим его семилинейным функционалом в матpицy пpямоyгольнyю тpоеpанговyю обводимyю собственной неодноpодностью непpеpывно интегpиpyемой в pазpыв попеpек интеpвала pасходимости кpиволинейным экстpемyмом чеpез область целостности!

Link to post
Share on other sites
Chuvak
1 минуту назад, konstruktorig2025 сказал:

придумать систему кодирования чертежей для нашей фирмы и выложить на сервере как что расшифровывается

Тогда не заморачивайтесь с обозначениями по классификатору. У вас своя собственная система, это не запрещено)

  • Нравится 1
Link to post
Share on other sites

Create an account or sign in to comment

You need to be a member in order to leave a comment

Create an account

Sign up for a new account in our community. It's easy!

Register a new account

Sign in

Already have an account? Sign in here.

Sign In Now
  • Recently Browsing   1 member

    • konstruktorig2025
  • Сообщения

    • brigval
      Скриншот можно привести? Как попросили и как предлагаете...
    • green_fly
      Зачем же так сильно передергивать, можно и уздечку надорвать. Вы просили помощи, Вам предложили стандартный путь - посчитать ряд профилей, которые хорошо исследованы и являются валидационными тестами. На нет и суда нет.
    • green_fly
      Вам говорят про то, что Ваши производные никак не получить на реальной конструкции. Да и на продувке в CFD скорее всего не поймать. Хорошая задачка, определить на каком порядке разница станет незначительной - на курсовой проект, наверное, потянет. Может даже на диплом. Но пока у Вас результаты расчетов одного и того же профиля зависят от версии расчетной программы - их действительно лучше хранить в секрете.
    • zerganalizer
      А касаемо расчётов продуй нам то или это, а мы посмотрим на результаты - у меня будет скоро самый мощный компьютер из настольных, тогда можно будет попробовать из любопытства, но не ранее. Однако не уверен,  что я буду продувать и выкладывать сюда результаты по моим профилям, особенно нового поколения по новой формуле из питона.
    • apyron96
      добрый день   не совсем понял, что имеется ввиду под понятием машинные параметры   из настроек машины сфотографировал то, что близко по смыслу все здесь https://disk.yandex.ru/d/R4IYO1ALfHp7pw угадал ли?  
    • zerganalizer
      Вы совсем не поняли тему моих разработок. Вы совсем не поняли - от чего идёт прирост качества. Ещё раз объясню - никто никогда не строил такую геометрию и не продувал её. Никто никогда не мог её построить в принципе - потому что это другая геометрия, на другом математическом ядре, которую никакой САПР никогда не мог иметь. Ну то есть абсолютно в принципе никак и никогда. Через указанный набор точек, которые у меня есть никто никак и никогда не мог её построить. Это та геометрия, которую никто никогда не исследовал. Никто и никогда не мог её генерировать - это ограничение того ядра и той математики, которой сейчас это строится. Особенно речь идёт о cfd пакетах и методиках автоматического поиска через оптимизатор. Оптимизатору этих пакетов недоступна та математика, которую я использую. Никакой и никогда оптимизатор cfd пакета не в состоянии построить эту кривую - потому что его ядра недостаточно для этого. Даже аппроксимация этой кривой моими инструментами оказалась весьма затруднительна и потребовала специальной программной разработки. Это как параболу точно аппроксимировать сплайном. Особенно если целью такой аппроксимации будет полное повторение анализа кривизны исходной параболы на аппроксимированной сплайном кривой в широком диапазоне значений. Я имею в виду не просто параболу - а параболу произвольной степени.  А модель та же самая, что у всех пакетов, которые анализируют аэродинамические профили. К тому же если я повторил расчёт сделанный ранее или даже вышел в экспериментальные данные - то никаких сомнений нет.    Возможно скоро будут изготовлены прототипы и испытаны в боевых условиях. Там и проверим - долетит/не долетит...  Это доказывается математической формулой уравнения. Берёте нужное количество производных и проверяете. У меня с этим всё идеально.  Если я рассчитываю и повторяю эксперимент для существующих профилей - то рядом такой же расчёт, но уже другого профиля даёт аналогичную достоверность расчёта.    А вообще всё это теперь не важно. Если мы сделаем агрегаты и запустим - там всё будет ясно: долетит/не долетит... мне уже не интересны сетки и сходимости. Мой мешер или фирменный мешер - они дают одни и те же результаты. Дело теперь за натурными испытаниями в реальных боевых условиях...  Вы прямо цитируете то, что мне выдал ИИ как мнение аэродинамиков, которые меня ожидают. Я ведь не выложил и 20% моего интервью с интеллектом))) Однако Какие бы мы результаты испытаний не получили - они будут засекречены. Вряд ли я даже сообщу - хорошо там всё или плохо)))
    • 5axisCNC
      Имхо можно фрезернуть. 1.Нужно просто использовать коническую резьбофрезу(далее обычный THREAD_MILLING). 2. (Если использовать фрезу ТС)Построить коническую винтовую линию центра фрезы и далее fixed кривые/точки Вообще очень-очень редко встречались конические резьбы и как правило их резали метчиком слесаря, либо пересогласовывали с конструкторами на обычную резьбу(и в дальнейшей эксплуатации изготовленного изделия это не вызывало проблем) 
    • zerganalizer
      Дурацкий форум не даёт времени На правку. Если у вас деталь на планшайбе смещена относительно оси вращения - то Укажите На какой угол она там локально повернута. Когда деталь в нуле эти углы одинаковые и равно углу оси поворота. А когда вы сдвинете деталь в сторону Да ещё и повернёте там - тады ой!
    • Fedor
      Спасибо, посмотрю. Как раз хотел оживить старые коды , а то в VS 2003 все работало и работает на VM и старой W.   А при компиляции на новых выдает кучу ошибок. Хотел переделать на Qt и заодно приделать для Добряка оболочки и балки, чтобы проверить теорию да и вообще в Linux как то приятнее работать :) 
    • MixaIT
      Речь же шла о G41 D01. Так что скорее всего это настраивать будут именно там где я написал.
×
×
  • Create New...