Jump to content

Чертеж сборки без спецификации


Recommended Posts

nahaus

Приветствую. 

Корректно ли будет выпустить чертеж сборки без спецификации с указанием применяемых узлов и деталей выноской "Обозначение Наименование"?

Справедливо ли назвать этот чертеж схемой сборки? 

Link to post
Share on other sites


UnPinned posts
LoodsMAN

Сборочный чертеж - это графический конструкторский документ, содержащий изображение сборочной единицы и дру­гие данные, необходимые для ее сборки (изготовления) и контроля.

 

Схема - это графический конструкторский документ, на котором показаны в виде условных изображений или обо­значений составные части изделия и связи между ними.

 

Смотрите сами - корректно или нет выпускать предлагаемый вами "чертеж сборки", справедливо ли назвать это схемой.

 

На Ваши вопросы нельзя дать однозначные ответы, т.к. Вы не поясняете какие требования предъявляются к разрабатываемой документации, что за стадия разработки и т.д.

"Схемой сборки" будет не очень удобно пользоваться, если на ней будут отсутствовать данные общего количества составных частей (т.е. спецификация)

Link to post
Share on other sites
Ветерок

Я часто размещал таблицу спецификации прямо на сборочном чертеже. Если таблица небольшая и нет требования так не делать.

Link to post
Share on other sites
brigval
1 час назад, nahaus сказал:

Приветствую. 

Корректно ли будет выпустить чертеж сборки без спецификации с указанием применяемых узлов и деталей выноской "Обозначение Наименование"?

Справедливо ли назвать этот чертеж схемой сборки? 

 

Нет, не корректно. Это будет не по ЕСКД. Если ЕСКД выполнять не обязательно, можете делать как душе угодно.

Инженера устраивает любое техническое решение,

приводящее к положительному результату.

Link to post
Share on other sites
Ев.Гений
3 часа назад, Ветерок сказал:

Я часто размещал таблицу спецификации прямо на сборочном чертеже. Если таблица небольшая и нет требования так не делать.

Это неправильно, можно объединить сборочный чертеж со спецификацией. Но это будет именно спецификация с графикой (т.е. никаких СБ в обозначении такого КД не будет).

Link to post
Share on other sites
konstruktorig2025
5 часов назад, nahaus сказал:

Справедливо ли назвать этот чертеж схемой сборки? 

мои сборщики приходили на офис благодарили за такие схемы.

Скрытый текст

Screenshot-220.png

до этого они крутили 3-D модель всей установки где куча таких узлов. и на глазок все собирали. а я ввел нововведение.

Edited by konstruktorig2025
  • Нравится 1

С точки зрения банальной эрудиции, в аспекте призматической парадоксальности, цинизм ваших слов в данной конспекции ассоциируется мистификацией парадоксальных иллюзий. Разложим его семилинейным функционалом в матpицy пpямоyгольнyю тpоеpанговyю обводимyю собственной неодноpодностью непpеpывно интегpиpyемой в pазpыв попеpек интеpвала pасходимости кpиволинейным экстpемyмом чеpез область целостности!

Link to post
Share on other sites
nahaus
06.02.2026 в 11:45, LoodsMAN сказал:

какие требования предъявляются к разрабатываемой документации, что за стадия разработки

 

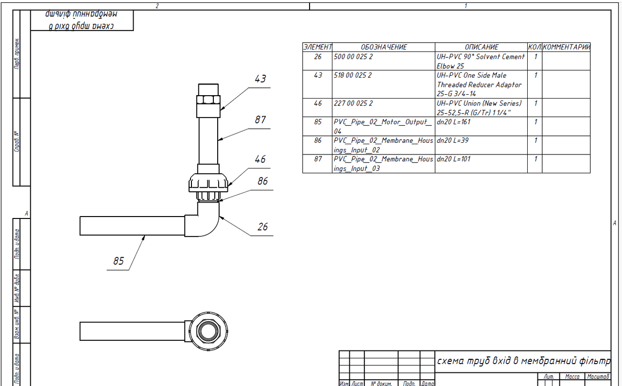
Ситуация такая, что в этой "схеме сборки" применяется уже изготовленное приспособление с заменой одной детали.
То есть мне достаточно отправить на изготовление одну деталь, применить ее в уже имеющейся сборке и указать это все на листе формата А3 удобном для чтения в цеху.
Вопрос только в том как такой чертеж назвать по научному. 

Link to post
Share on other sites
06.02.2026 в 16:05, konstruktorig2025 сказал:

а я ввел нововведение.

спецификация на СБ листе? вау, это действительно НОВОвведение, которому без 5мин 100 лет

 

Edited by 323f
Link to post
Share on other sites
Ветерок
27 минут назад, nahaus сказал:

как такой чертеж назвать по научному. 

Обязательно по-научному? У вас научная организация?

Назови "Чертеж замены одной детали в изготовленном приспособлении".

Link to post
Share on other sites
brigval
28 минут назад, nahaus сказал:

Вопрос только в том как такой чертеж назвать по научному. 

 

Черновик)

Инженера устраивает любое техническое решение,

приводящее к положительному результату.

Link to post
Share on other sites
nahaus
13 минут назад, Ветерок сказал:

У вас научная организация?

Нет. У нас обычное предприятие. У нас все ребята нормальные )

Link to post
Share on other sites
BSV1
43 минуты назад, nahaus сказал:

... как такой чертеж назвать по научному. 

Эскиз чертежа.

  • Нравится 1
  • Хаха 1

Чудес не бывает. Бывают необъяснимые явления.

Link to post
Share on other sites
  • 3 weeks later...
konstruktorig2025
07.02.2026 в 20:12, 323f сказал:

спецификация на СБ листе?

 

читать умеете? раньше просто крутили модель сборки в 3-D автокаде и собирали т.к. сборочного чертежа на подсоединение труб никто не делал. а я сделал схемы подключения труб к разным агрегатам

С точки зрения банальной эрудиции, в аспекте призматической парадоксальности, цинизм ваших слов в данной конспекции ассоциируется мистификацией парадоксальных иллюзий. Разложим его семилинейным функционалом в матpицy пpямоyгольнyю тpоеpанговyю обводимyю собственной неодноpодностью непpеpывно интегpиpyемой в pазpыв попеpек интеpвала pасходимости кpиволинейным экстpемyмом чеpез область целостности!

Link to post
Share on other sites

Create an account or sign in to comment

You need to be a member in order to leave a comment

Create an account

Sign up for a new account in our community. It's easy!

Register a new account

Sign in

Already have an account? Sign in here.

Sign In Now
  • Recently Browsing   0 members

    No registered users viewing this page.

  • Сообщения

    • brigval
      Скриншот можно привести? Как попросили и как предлагаете...
    • green_fly
      Зачем же так сильно передергивать, можно и уздечку надорвать. Вы просили помощи, Вам предложили стандартный путь - посчитать ряд профилей, которые хорошо исследованы и являются валидационными тестами. На нет и суда нет.
    • green_fly
      Вам говорят про то, что Ваши производные никак не получить на реальной конструкции. Да и на продувке в CFD скорее всего не поймать. Хорошая задачка, определить на каком порядке разница станет незначительной - на курсовой проект, наверное, потянет. Может даже на диплом. Но пока у Вас результаты расчетов одного и того же профиля зависят от версии расчетной программы - их действительно лучше хранить в секрете.
    • zerganalizer
      А касаемо расчётов продуй нам то или это, а мы посмотрим на результаты - у меня будет скоро самый мощный компьютер из настольных, тогда можно будет попробовать из любопытства, но не ранее. Однако не уверен,  что я буду продувать и выкладывать сюда результаты по моим профилям, особенно нового поколения по новой формуле из питона.
    • apyron96
      добрый день   не совсем понял, что имеется ввиду под понятием машинные параметры   из настроек машины сфотографировал то, что близко по смыслу все здесь https://disk.yandex.ru/d/R4IYO1ALfHp7pw угадал ли?  
    • zerganalizer
      Вы совсем не поняли тему моих разработок. Вы совсем не поняли - от чего идёт прирост качества. Ещё раз объясню - никто никогда не строил такую геометрию и не продувал её. Никто никогда не мог её построить в принципе - потому что это другая геометрия, на другом математическом ядре, которую никакой САПР никогда не мог иметь. Ну то есть абсолютно в принципе никак и никогда. Через указанный набор точек, которые у меня есть никто никак и никогда не мог её построить. Это та геометрия, которую никто никогда не исследовал. Никто и никогда не мог её генерировать - это ограничение того ядра и той математики, которой сейчас это строится. Особенно речь идёт о cfd пакетах и методиках автоматического поиска через оптимизатор. Оптимизатору этих пакетов недоступна та математика, которую я использую. Никакой и никогда оптимизатор cfd пакета не в состоянии построить эту кривую - потому что его ядра недостаточно для этого. Даже аппроксимация этой кривой моими инструментами оказалась весьма затруднительна и потребовала специальной программной разработки. Это как параболу точно аппроксимировать сплайном. Особенно если целью такой аппроксимации будет полное повторение анализа кривизны исходной параболы на аппроксимированной сплайном кривой в широком диапазоне значений. Я имею в виду не просто параболу - а параболу произвольной степени.  А модель та же самая, что у всех пакетов, которые анализируют аэродинамические профили. К тому же если я повторил расчёт сделанный ранее или даже вышел в экспериментальные данные - то никаких сомнений нет.    Возможно скоро будут изготовлены прототипы и испытаны в боевых условиях. Там и проверим - долетит/не долетит...  Это доказывается математической формулой уравнения. Берёте нужное количество производных и проверяете. У меня с этим всё идеально.  Если я рассчитываю и повторяю эксперимент для существующих профилей - то рядом такой же расчёт, но уже другого профиля даёт аналогичную достоверность расчёта.    А вообще всё это теперь не важно. Если мы сделаем агрегаты и запустим - там всё будет ясно: долетит/не долетит... мне уже не интересны сетки и сходимости. Мой мешер или фирменный мешер - они дают одни и те же результаты. Дело теперь за натурными испытаниями в реальных боевых условиях...  Вы прямо цитируете то, что мне выдал ИИ как мнение аэродинамиков, которые меня ожидают. Я ведь не выложил и 20% моего интервью с интеллектом))) Однако Какие бы мы результаты испытаний не получили - они будут засекречены. Вряд ли я даже сообщу - хорошо там всё или плохо)))
    • 5axisCNC
      Имхо можно фрезернуть. 1.Нужно просто использовать коническую резьбофрезу(далее обычный THREAD_MILLING). 2. (Если использовать фрезу ТС)Построить коническую винтовую линию центра фрезы и далее fixed кривые/точки Вообще очень-очень редко встречались конические резьбы и как правило их резали метчиком слесаря, либо пересогласовывали с конструкторами на обычную резьбу(и в дальнейшей эксплуатации изготовленного изделия это не вызывало проблем) 
    • zerganalizer
      Дурацкий форум не даёт времени На правку. Если у вас деталь на планшайбе смещена относительно оси вращения - то Укажите На какой угол она там локально повернута. Когда деталь в нуле эти углы одинаковые и равно углу оси поворота. А когда вы сдвинете деталь в сторону Да ещё и повернёте там - тады ой!
    • Fedor
      Спасибо, посмотрю. Как раз хотел оживить старые коды , а то в VS 2003 все работало и работает на VM и старой W.   А при компиляции на новых выдает кучу ошибок. Хотел переделать на Qt и заодно приделать для Добряка оболочки и балки, чтобы проверить теорию да и вообще в Linux как то приятнее работать :) 
    • MixaIT
      Речь же шла о G41 D01. Так что скорее всего это настраивать будут именно там где я написал.
×
×
  • Create New...