Jump to content

Как изображается дополнительный вид с повернутого разреза?


Recommended Posts

Здравствуйте!

Предисловие: У меня нет возможности распечатывать форматы больше А3, поэтому делаю много дополнительных видов не связанных проекционный.

Вопрос: Как будет располагаться дополнительный вид сзади с повернутого разреза? Также как в проекционной связи или тоже повернуто? Нужно ли ставить значок повернуто?

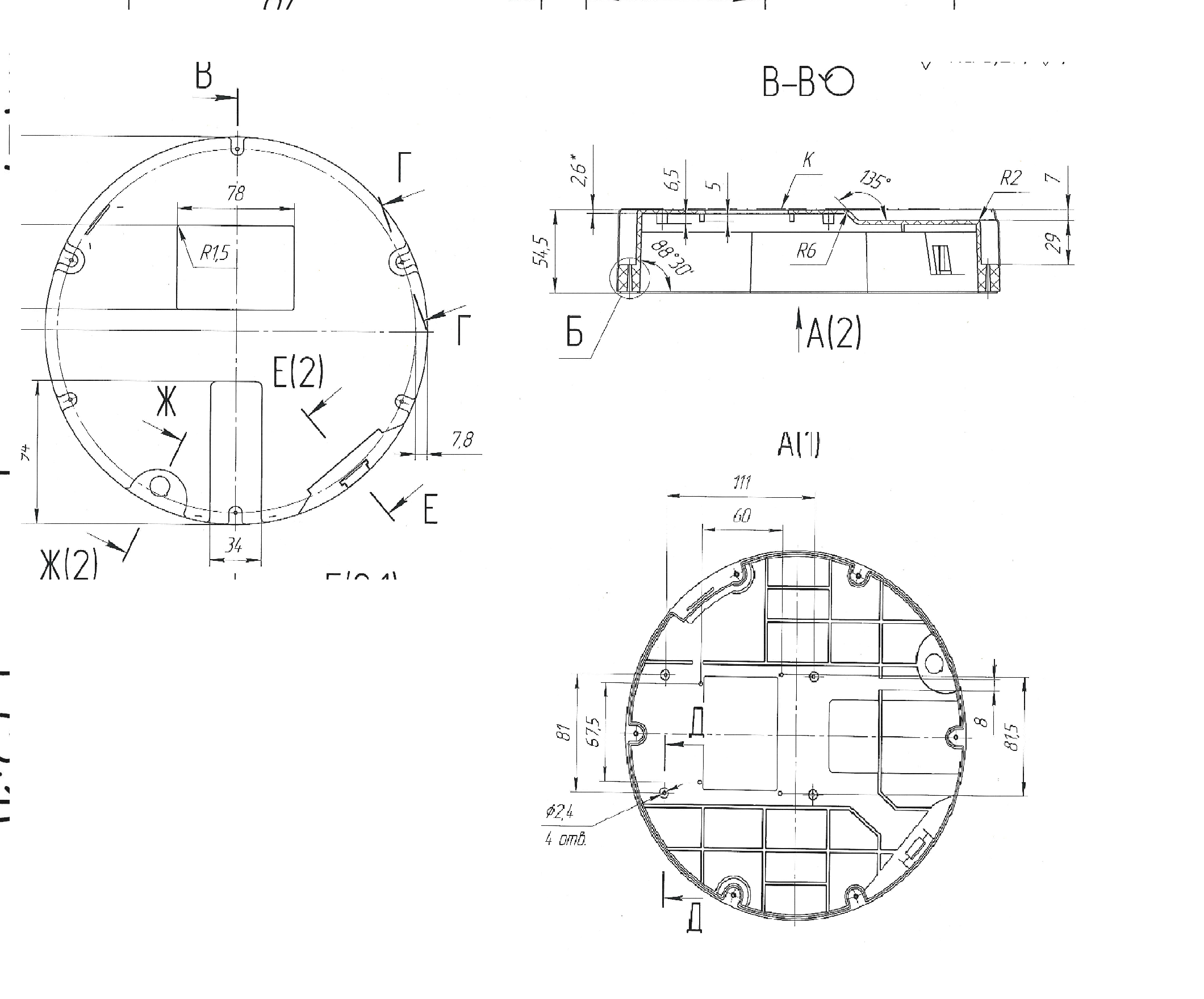
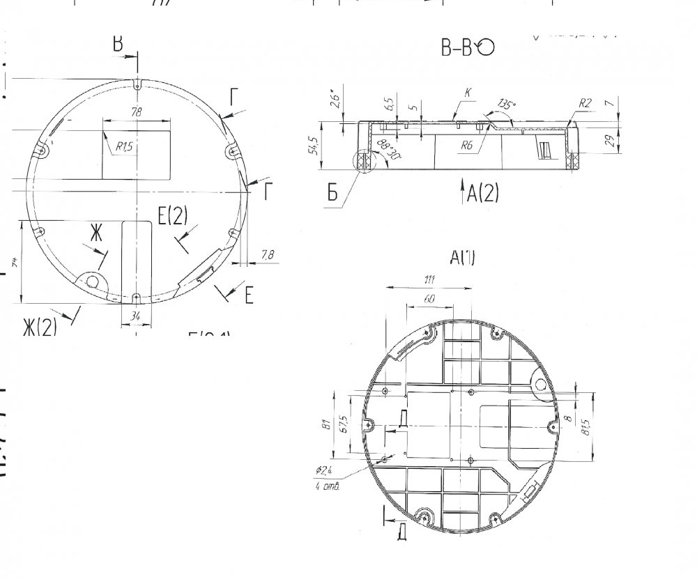
эскиз.png

Link to post
Share on other sites


UnPinned posts
brigval

Можно сделать вид слева, а с него вид сзади или по стрелке. И вопрос отпадет сам собой.

Инженера устраивает любое техническое решение,

приводящее к положительному результату.

Link to post
Share on other sites
LoodsMAN
1 час назад, Nasta сказал:

Как будет располагаться дополнительный вид сзади с повернутого разреза? Также как в проекционной связи или тоже повернуто? Нужно ли ставить значок повернуто?

В проекционной связи.

Знак "Повернуто" не требуется.

Link to post
Share on other sites
28 минут назад, LoodsMAN сказал:

В проекционной связи.

Знак "Повернуто" не требуется.

На эскизе показано верно?

1 час назад, brigval сказал:

Можно сделать вид слева, а с него вид сзади или по стрелке. И вопрос отпадет сам собой.

У меня не вмещается на формат А3, поэтому разнесено на разные листы

Link to post
Share on other sites
LoodsMAN
10 минут назад, Nasta сказал:

На эскизе показано верно?

Да

Link to post
Share on other sites
brigval
1 час назад, Nasta сказал:

У меня не вмещается на формат А3, поэтому разнесено на разные листы

Можно показать вид сзади по стрелкам, а не с разреза.

Читаться будет лучше, на мой взгляд.

Инженера устраивает любое техническое решение,

приводящее к положительному результату.

Link to post
Share on other sites
Kelny
3 часа назад, Nasta сказал:

У меня нет возможности распечатывать форматы больше А3

Обычная практика.

 

3 часа назад, Nasta сказал:

поэтому делаю много дополнительных видов не связанных проекционный.

Проекционно не свзаны обычно всякого рода изометри, диметрии и т.п., а так же развёртки. Всё остально обычно проекционно связано стрелкой, стрелками на разрезе или выноской для местного вида.

Edited by Kelny

Макросы и программы для Solidworks: http://kelnyproject.ucoz.ru/

Link to post
Share on other sites

Create an account or sign in to comment

You need to be a member in order to leave a comment

Create an account

Sign up for a new account in our community. It's easy!

Register a new account

Sign in

Already have an account? Sign in here.

Sign In Now
  • Recently Browsing   0 members

    No registered users viewing this page.

  • Сообщения

    • andrey2147
      Вероятно что в обычном экране сименса у вас ошибки не появляются т к не прописаны, а в оболочке прописаны. Это не обязательно ДМГ у меня станок  EAGLE (Орёл) там то же оболочка есть.И то же кнопка ISO есть .
    • andrey2147
      Кто то ещё сомневается ?
    • Kelny
      Есть исходный файл? Не обновлённый до последней версии SW2024.      
    • РоманВ
      Добрый день, коллеги. Предстоит очень большая сборка, в разы больше той, что до этого едва ворочалась на моем компе. Решил переосмыслить работу с большими сборками и обращаюсь к вам за подсказкой. Какие способы структурирования сборок, работы в SW позволяют не перегружать комп и легко работать с очень большими сборками? Ниже варианты, которые предполагаю.   1. Больше подсборок. Например в нулевую сборку все входящие детали группировать в подсборки (монтажный комплект, трубопроводный комплект и т.д.). Есть ощущение, что 3 сопряжения подсборки перевариваются легче, чем куча сопряжений кучи деталей. 2. Замена обычных сопряжений упрощенными. Например три координаты или три совпадения заменить на фиксацию. Так же слышал версию о привязках подсборок к базовым плоскостям верхней сборки, чтобы не было взаимозависимостей между подсборками. 3. Облегченные конфигурации подсборок. Использовать SpeedPak для облегчения подсборок. Возможно подсборку сохранять как деталь и вставлять в верхнюю сборку, вставив в это же место сборку и скрыв ее. Т.е. визуально будет деталь, а сборка будет скрыта и не будет обсчитываться. Возможно сборку-деталь вставить в саму подсборку как справочный элемент и сделать конфигурацию, где все детали подсборки скрыты, а высвечена только эта же сборка-деталь. 4. Привязка подсборок к справочному 3д эскизу и управление их расположением через один эскиз, а не массу взаимных сопряжений. (про компоновочный эскиз читал, пока не очень понял насколько он облегчит работу в сравнении с обычным эскизом в сборке)   Еще осложняет работу обилие трубопроводов и фитингов-соединителей. Pоутингом не пользуемся, но в планах попробовать. Может как-то можно упростить работу с трубопроводами в части загрузки компа геометрией?
    • jtok
      Уберите кромки с видов: Используйте "Состояния отображения" - например, сделайте несколько их - полная, без крепежа, без чего-нить и т.д. В нужных видах включайте только нужное состояние отображения: Например, у меня весь крепеж вставлен в сборку верхнего уровня. Сборка имеет два состояния отображения "Полная" и "Без крепежа" Если мне нужны общие виды - спереди, сверху там, то я выбираю "Без крепежа", его все равно там не видно. А для узлов - "Полная".   Используйте для разрезов галку "Глубина сечения" - сильно улучшает производительность при работе с чертежами:   Пару запрещенных приемов: Некоторые инженеры, возможно, не все, экспортируют в ACAD и потом разрисовывают чрезвычайно сложные сборки, т.к. в самом солиде именно с чертежами работать невозможно. Некоторые разбивают вид в эскиз и дальше линиями фигачат, отвязываясь от параметрической модели.
    • davidovka
      И как из этого следует, что нужно переменные суммировать с постоянными? В моей логике "переменные данные" - это тоже самое  что и «Кол. на исполн.» из Варианта Б. 
    • tohnae
      Сигналы с них приходят* что инструмент сменился, писал в попыхах пока интернет есть
    • dmitry767
      спасибо большое за разьяснение может у Вас есть схема этого станка?  
    • Alexandr97
      По ГОСТу 2.113 п. 5.5.1 приложение а) говорит о том, что сначала в постоянные записывают составные части изделия, потом в переменные записывают тоже составные, которые отличаются по переменным данным.    
    • BSV1
      Такая трактовка не верна. Согласно ГОСТ 2.113 постоянные данные - информация об исполнениях изделий, одинаковая для груп­пы изделий и содержащаяся в одном конструкторском документе. Информация об одинаковом крепеже в разном количестве - это разная информация (из-за количества). К тому же такое разбиение вносит неудобство при подсчете и комплектовании.
×
×
  • Create New...