Jump to content

Вопрос по допускам ЕСКД и буквах в видах


Recommended Posts

Stanislav

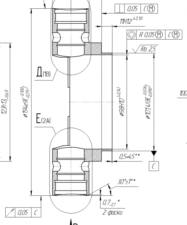
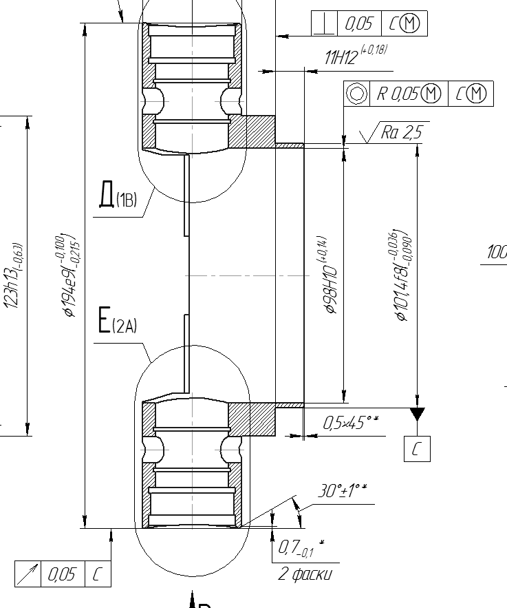
1. Первая часть попроще что значат буквы-символы в круглях скобках рядом с обозначением разреза и самим видом этого разреза? Картики 1, 2. Если что весь чертеж на одном листе.

1.jpg

2.jpg

2. Вопрос второй зависимые допуски просмотрел кучу видео ни кто нормально разъяснить не может и в терменологии максимума и минимума материала смотрел ролиики и в терменологии зависимих допусков, такое ощущение что люди сами до конца не понимают. Вот чертеж. 

 

2А. Какие предельные значения может иметь растояние между двух отверстий обозначенное 172 в квадратных скобках. Я считаю что 171,8 и 172.2  я так думаю потому как написано что допуск позиционный у отверстия 0.1 на радиус.

2Б. Как на эти предельные размеры повлияют допуски на размеры баз У и Г1.

 3.jpg

 

Edited by Stanislav
Link to post
Share on other sites
  • 1 month later...


UnPinned posts
Stanislav
1 час назад, Chuvak сказал:

минимальная толщина стенки получиться. Я уже посчитал - 1,438 мм.

У меня другая минимальная толщина стенки 1,535мм.

Надо почитать, хотя тут вроди как все очевидно все исключительно из чертежа.

Screenshot_2025-10-07-14-35-43-189_com.miui.gallery.jpg

Link to post
Share on other sites
Chuvak
15 минут назад, Stanislav сказал:

У меня другая минимальная толщина стенки 1,535мм.

Надо почитать, хотя тут вроди как все очевидно все исключительно из чертежа.

Я все таки настоятельно рекомендую Вам выделить время на изучение ГОСТов по расчету зависимых допусков (ГОСТ Р 50056-92  и ГОСТ Р 53090-2008). Там все формулы есть.

ГОСТ Р 50056-92 пример 7 приложение 1 - как раз ваш случай:

Безымянный.png

Edited by Chuvak
  • Нравится 1
Link to post
Share on other sites
Chuvak

@Stanislav

 

Безымянный.png

В вашем случае максимальный допуск соосности складывается из максимального допуска на размер Ф98H10 - 0,14 мм + допуск соосности 0,1 мм (в диаметральном выражении) + максимальный допуск на размер базового диаметра Ф101,4f8 - 0,054 мм. Поэтому, согласно вычислениям, минимальное значение толщины стенки: [ 101,31 - (98,14 +0,14+0,1+0,054) ] / 2 = 1,438 мм

Если действительный размер Ф98H10 равен максимальному значению 98,14, а размер базового диаметра Ф101,4f8 -101,31, то макс. допуска для Ф98H10 равен 0,294 мм

Edited by Chuvak
Link to post
Share on other sites
Chuvak

@Stanislav Если действительный размер диаметра Ф98H10 равен минимальному значению 98 мм, а размер базового диаметра Ф101,4f8 максимальному - 101,364 мм, то минимальная толщина стенки равна 1,632 мм

Edited by Chuvak
Link to post
Share on other sites
Chuvak
20 часов назад, Stanislav сказал:

Изготавливал деталь пришел ответ с кимов. О несоосности двух диаметров вне допуска. R0.05.

При каких действительных размерах элементов получился данных допуск соосности вне допуска - R0,0644 ? 

Link to post
Share on other sites
Stanislav
Posted (edited)
1 час назад, Chuvak сказал:

При каких действительных размерах элементов получился данных допуск соосности вне допуска - R0,0644 ? 

Уже не скажу. Кимы эти размеры не мерили. А я не помню, примерно +-0.02 от середины поля допуска.

 

Инфы много, буду читать разбираться. 

Edited by Stanislav
Link to post
Share on other sites
Chuvak
18 минут назад, Stanislav сказал:

Кимы эти размеры не мерили.

Контролеры ОТК в данном случае действовали некорректно и неграмотно, т.к. зависимый допуск зависит от действительных размеров детали (слово "зависимый" на это как бы намекает).

Link to post
Share on other sites
Chuvak
2 часа назад, Stanislav сказал:

А я не помню, примерно +-0.02 от середины поля допуска.

Если Вы выполнили данные диаметры в середине интервала допуска, то тогда просто вычислите максимальный допуск на соосность нормируемого диаметра ∅98H10: 0,1+(0,14/2)+(0,054/2) = 0,197 мм (в диаметральном выражении). В радиусном выражении  0,197/2 = 0, 0985 мм. Это и есть максимальный допуск соосности для середины интервала допуска для обоих диаметров. R0,0644 находиться в пределах данного допуска, ваша деталь годна)

Edited by Chuvak
Link to post
Share on other sites
Stanislav
07.10.2025 в 14:52, Chuvak сказал:

ГОСТ Р 53090-2008

Спасибо, попонятнее стало.

Получились такие же размеры придельных значений и для середины поля допуска.

 

1.jpg

2.jpg

3.jpg

  • Нравится 1
Link to post
Share on other sites
Chuvak

Вы большой молодец, что так быстро разобрались!

Link to post
Share on other sites
Stanislav
Posted (edited)

*****

Если не сложно могли бы взглянуть правильно ли я усвоил урок. Если деталь выполнена в середину поля допуска.

1. Перпендикулярность 0.05 C(M). Действительный размер максимума материала базы С совпадает с размером максимума материала и равен 101.4-0.036=101,364мм. При выполнении базы С в середину поля допуска получаем зависимый допуск в 0.027мм. Соответственно допустима неперпендикулярность в 0.05+0.027= 0.077мм.

 

image.png

 

2. Действительный размер максимума материала D5.26мм, При выполнении 5.5Н13 в середину поля допуска получаем зависимый допуск в 0.09мм для самого нормируемого элемента + 0.027мм от базы С + 0.24мм номинальный позиционный допуск = 0.357 или R0.1785 против 0.12 номинальных. 

 

(Ну либо выражаясь более приближено к толкованию теории максимума материала правильнее сказать, зависимый допуск самого нормируемого элемента равен 0.24+0.09=0.33, плюс допуск от базы С 0.027.)

 

image.png

Edited by Stanislav
Link to post
Share on other sites
Chuvak

@Stanislav, к сожалению все ваши выводы не совпадают с требованиями в вышеперечисленных ГОСТах. В 1-ом примере на допуск перпендикулярности требование максимума материала для базы никак не влияет, т.к. нормируемый элемент - это грань (торец), а зависимый допуск влияет только, если нормируется ось или плоскость симметрии ( я вообще не понимаю, зачем конструктор в данном случае поставил значок М у данного допуска, это было лишнее). Допуск перпендикулярности в данном случае будет всегда 0,05 мм. Во втором примере не нужно прибавлять допуск от базы, об этом так же сказано в ГОСТ Р 50056-92.

И еще один важный момент, в терминологии в ГОСТ Р 53090-2008 допущена очень большая ошибка при переводе, не действительный размер максимума материала, а виртуальный размер

Edited by Chuvak
Link to post
Share on other sites
Stanislav
Posted (edited)

По первому вопросу что то есть вскользь.

 

image.png

 

Но в этом госте есть такая картинка, и следующая в другом госте. Подумал что обратное, перпендикулярность плоскости к цилиндрической поверхности тоже справедливо.  Особенно такой вывод напрашивается из 2ой картинки когда вал выполнен в середину поля допуска и может наклониться до действительного значения максимума материала.

image.png

image.png

 

****

А про второй вопрос что не нужно сумировать допуск от базы не наешел в тексте документа.

40 минут назад, Chuvak сказал:

Во втором примере не нужно прибавлять допуск от базы, об этом так же сказано в ГОСТ Р 50056-92.

А, этот гост я его тольок мельком просмтрел не видел по этому поводу пока что ни чего.

 

41 минуту назад, Chuvak сказал:

И еще один важный момент, в терминологии в ГОСТ Р 53090-2008 допущена очень большая ошибка при переводе, не действительный размер максимума материала, а виртуальный размер

Там вообще много косяков на картинки одно славами написано другое...

Ну мне тоже как то виртуальный размер кажется более подходящий. 

Edited by Stanislav
Link to post
Share on other sites
Chuvak

@Stanislav

 

1.png

2.png

Безымянный.png

27 минут назад, Stanislav сказал:

image.png

Так в ГОСТе все верно написано. Зависимый допуск применяется к таким размерным элементам, как цилиндр (вал или отверстие) или две параллельные плоскости (шпонпаз и т.п). В Вашем же случае нормируемым элементом в случае допуска перпендикулярности является только одна грань (торец).

Edited by Chuvak
Link to post
Share on other sites
Stanislav
Posted (edited)

По пункту 3.7 я так понимаю это не обязательно должны быть отверстия из группы одного типа в количестве больше одного.  Даже если относительно одной базы задан позиционный допуск одного отверстия и соосность другого отверстия относительно той же базы. То размерный допуск базы я не могу использовать для расширения допусков положения первого и соосности второго?

 

У меня в одном чертеже куча зависимых допусков совершено разных от разных элементов ссылаются на одну базу, значит я не могу использовать ее допуск для расширения зависимого допуска? 

 

*****"

1. Допуск перпендикулярности плоскости не может быть зависимым, его нет в пункте 3.1 госта?

2.Допуск перпендикулярности оси базовой поверхности для середины поля допуска? Если отверстие 3.01 то перпендикулярность до 0.03.

IMG_20251009_140210.jpg

Edited by Stanislav
Link to post
Share on other sites
Chuvak
1 час назад, Stanislav сказал:

По пункту 3.7 я так понимаю это не обязательно должны быть отверстия из группы одного типа в количестве больше одного.  Даже если относительно одной базы задан позиционный допуск одного отверстия и соосность другого отверстия относительно той же базы. То размерный допуск базы я не могу использовать для расширения допусков положения первого и соосности второго?

Да, Вы все верно поняли.

1 час назад, Stanislav сказал:

1. Допуск перпендикулярности плоскости не может быть зависимым, его нет в пункте 3.1 госта?

Просто в данном случае он никакой смысловой нагрузки не несет. А базовый элемент У - это ось?

1 час назад, Stanislav сказал:

2.Допуск перпендикулярности оси базовой поверхности для середины поля допуска? Если отверстие 3.01 то перпендикулярность до 0.03.

Да, все верно. Конструктор скорее всего забыл значок диаметра у допуска на перпендикулярность, хотя так тоже можно задать, только в этом случае поле допуска будет представлять из себя 2 параллельные плоскости минимальной шириной 0,02 при значение ∅3H8 - 3 мм.

17 часов назад, Stanislav сказал:

Но в этом госте есть такая картинка, и следующая в другом госте. Подумал что обратное, перпендикулярность плоскости к цилиндрической поверхности тоже справедливо.  Особенно такой вывод напрашивается из 2ой картинки когда вал выполнен в середину поля допуска и может наклониться до действительного значения максимума материала.

Нашел в этом же ГОСТе:

Безымянный.png

1 час назад, Stanislav сказал:

IMG_20251009_140210.jpg

Вам лучше у конструктора уточнить, что он имел в виду, когда ставил такие допуски, особенно перпендикулярности

Edited by Chuvak
Link to post
Share on other sites
Chuvak
41 минуту назад, Chuvak сказал:

Да, Вы все верно поняли.

Извините, немного поторопился) Для расширения допуска соосности можете конечно использовать. Даже если у вас задан позиционный допуск только одного отверстия относительно одной базы, то действительный допуск базы тоже нельзя использовать для расширения позиционного допуска отверстия, только собственный действительный размерный допуск отверстия.

1 час назад, Stanislav сказал:

По пункту 3.7 я так понимаю это не обязательно должны быть отверстия из группы одного типа в количестве больше одного.  Даже если относительно одной базы задан позиционный допуск одного отверстия и соосность другого отверстия относительно той же базы. То размерный допуск базы я не могу использовать для расширения допусков положения первого и соосности второго?

Вы типа такого примера имеете в виду? :

Безымянный.png

Edited by Chuvak
Link to post
Share on other sites
Stanislav
1 час назад, Chuvak сказал:

Вы типа такого примера имеете в виду?

Да.

 

2 часа назад, Chuvak сказал:

А базовый элемент У - это ось?

Да. Ось цилиндрической поверхности габаритного диаметра детали. К диаметральному размеру прикреплена.

Link to post
Share on other sites
Chuvak

@Stanislav  лучше бы чертежи сперва проверить на правильность назначения допусков и ткнуть в них конструктора)

Link to post
Share on other sites
Stanislav
09.10.2025 в 15:46, Chuvak сказал:

Извините, немного поторопился) Для расширения допуска соосности можете конечно использовать. Даже если у вас задан позиционный допуск только одного отверстия относительно одной базы, то действительный допуск базы тоже нельзя использовать для расширения позиционного допуска отверстия, только собственный действительный размерный допуск отверстия.

Вы типа такого примера имеете в виду? :

Безымянный.png

 

1. Думаю в ГОСТе о таком варианте даже не задумались. И тот пункт они написали руководствуясь примером группы однотипных отверстий относительно общей базы.

 

2. Выши выводы о возможности расширения допуска соосности, но не позиционирования кажутся мне основанными на интуитивном решении или принятии какого

-то одного варианта решения.

Ведь в данном случае мы можем расширить позиционный допуск и наша деталь собирается с ответной деталью с двумя штырями, сборка которых до этого не получалась из за того что штыри были к примеру ближе друг к другу. При этом допуск соосности мы расширять не будем.

 

Хотя если дословно руководствоваться ГОСТом то мы не должны расширять ни одного допуска за счет допуска базы.

 

Очень сомневаюсь что они рассмотрели этот случай и что бы не парить ни кому мозг просто запретили любое расширение зависимых допусков если они ссылаются на одну базу. Скорее это упущение.

Посему либо не расширять согласно ГОСТ, либо руководствоваться какими то своими соображениями целесообразности....

 

 

 

  • Нравится 1
Link to post
Share on other sites

Create an account or sign in to comment

You need to be a member in order to leave a comment

Create an account

Sign up for a new account in our community. It's easy!

Register a new account

Sign in

Already have an account? Sign in here.

Sign In Now
  • Recently Browsing   0 members

    No registered users viewing this page.

  • Сообщения

    • Когда-нибудь я стану гуру
      Существует библиотечная деталь с таблицей семейств. При использовании определенных исполнений, они теряются в сборке. Крео видит исполнение 1, спокойно его вставляет, а исполнение 2 считает отсутствующем. Сталкивался кто с таким? Деталь с нуля переделывал, заменял в библиотеке, обновлял cfg - не помогло.  (подшипник тут скидывался этот, но я дополнил кол-во размеров и все) 
    • ID_Hacker
      К сожалению у нас критичное место, вертикальные оси гантри. При некоторых неправильных действиях оси расходятся и мотор стоит с высокой нагрузкой, начинает греться. Предыдущий мотор так и сгорел. При этом температура предупреждения и ошибки выставляется стандартная по коду мотора. 150 и 170 градусов, а мотор при этом сгорел даже не дойдя до ошибки по температуре. Максимум достиг 150 градусов, но уже было поздно. В среднем была 130 градусов. В тот раз мотор аварийно перебрали своими силами, статор отправляли на перемотку. Но из за смещения угла полюсов по нему есть проблема с вибрацией и высокочастотным шумом. В итоге мотор заменили на новый, но теперь надо придумать что то с датчиком температуры. Вроде как можно в параметрах P604, P605 задать свои значения температуры, но редактировать я их не могу. Думаю попробовать указать мотор не по коду, а в ручную, может тогда параметры будут редактироваться.   Обновить ПО приводной системы можно, но станок критичный по загрузке, на долго не отдают, времени на эксперименты совсем нет, а я ни разу в синумерике не обновлял отдельно ПО приводов. Нет уверенности что так легко получится. Возможно надо всё ПО синумерика обновлять как минимум до версии 4.5, что может повлечь необходимость настройки измерительных циклов и циклов смены инструмента.   Мы так делали ещё в приводах Simovert Masterdrives когда помирал датчик внутри мотора. В Sinamics S120 так делать нет необходимости, просто пока отключил контроль температуры в параметре P601, сейчас показывает постоянное значение -200 градусов и ошибок не выдаёт.
    • Гиперион
      Как говорится - блажен тот, кто верует. Да, два станка с разницей в серийном номере на одну цифру. И никто из сервисников в трезвом уме и памяти не будет так радикально копаться в логике, тем более зная, что туда ещё приедет технолог. Ну, вы свой опыт озвучили, я свой.
    • andrey2147
      Вероятно что в обычном экране сименса у вас ошибки не появляются т к не прописаны, а в оболочке прописаны. Это не обязательно ДМГ у меня станок  EAGLE (Орёл) там то же оболочка есть.И то же кнопка ISO есть .
    • andrey2147
      Кто то ещё сомневается ?
    • Kelny
      Есть исходный файл? Не обновлённый до последней версии SW2024.   Ну или в SW2024 (там ведь есть поднижение версии на две ступени) сохраните его в SW2022 -  больше пользщователей сможет пощупать ваш странный файл.      
    • РоманВ
      Добрый день, коллеги. Предстоит очень большая сборка, в разы больше той, что до этого едва ворочалась на моем компе. Решил переосмыслить работу с большими сборками и обращаюсь к вам за подсказкой. Какие способы структурирования сборок, работы в SW позволяют не перегружать комп и легко работать с очень большими сборками? Ниже варианты, которые предполагаю.   1. Больше подсборок. Например в нулевую сборку все входящие детали группировать в подсборки (монтажный комплект, трубопроводный комплект и т.д.). Есть ощущение, что 3 сопряжения подсборки перевариваются легче, чем куча сопряжений кучи деталей. 2. Замена обычных сопряжений упрощенными. Например три координаты или три совпадения заменить на фиксацию. Так же слышал версию о привязках подсборок к базовым плоскостям верхней сборки, чтобы не было взаимозависимостей между подсборками. 3. Облегченные конфигурации подсборок. Использовать SpeedPak для облегчения подсборок. Возможно подсборку сохранять как деталь и вставлять в верхнюю сборку, вставив в это же место сборку и скрыв ее. Т.е. визуально будет деталь, а сборка будет скрыта и не будет обсчитываться. Возможно сборку-деталь вставить в саму подсборку как справочный элемент и сделать конфигурацию, где все детали подсборки скрыты, а высвечена только эта же сборка-деталь. 4. Привязка подсборок к справочному 3д эскизу и управление их расположением через один эскиз, а не массу взаимных сопряжений. (про компоновочный эскиз читал, пока не очень понял насколько он облегчит работу в сравнении с обычным эскизом в сборке)   Еще осложняет работу обилие трубопроводов и фитингов-соединителей. Pоутингом не пользуемся, но в планах попробовать. Может как-то можно упростить работу с трубопроводами в части загрузки компа геометрией?
    • jtok
      Уберите кромки с видов: Используйте "Состояния отображения" - например, сделайте несколько их - полная, без крепежа, без чего-нить и т.д. В нужных видах включайте только нужное состояние отображения: Например, у меня весь крепеж вставлен в сборку верхнего уровня. Сборка имеет два состояния отображения "Полная" и "Без крепежа" Если мне нужны общие виды - спереди, сверху там, то я выбираю "Без крепежа", его все равно там не видно. А для узлов - "Полная".   Используйте для разрезов галку "Глубина сечения" - сильно улучшает производительность при работе с чертежами:   Пару запрещенных приемов: Некоторые инженеры, возможно, не все, экспортируют в ACAD и потом разрисовывают чрезвычайно сложные сборки, т.к. в самом солиде именно с чертежами работать невозможно. Некоторые разбивают вид в эскиз и дальше линиями фигачат, отвязываясь от параметрической модели.
    • davidovka
      И как из этого следует, что нужно переменные суммировать с постоянными? В моей логике "переменные данные" - это тоже самое  что и «Кол. на исполн.» из Варианта Б. 
    • tohnae
      Сигналы с них приходят* что инструмент сменился, писал в попыхах пока интернет есть
×
×
  • Create New...